Bei Ruedas Alex möchten wir Ihnen unsere neueste Innovation vorstellen, die speziell für ein bedeutendes Unternehmen im Luftfahrtsektor entwickelt wurde. Unsere Lösung erfüllt technische Anforderungen, um die optimale Leistung unter anspruchsvollen Bedingungen zu verbessern.

Die Herausforderung bestand darin, ein kompaktes, leises und bodenschonendes Rad zu schaffen, mit einer Gabel, die bei hohen Geschwindigkeiten widerstandsfähig ist und auf rauem Asphalt rollen kann. Darüber hinaus musste das Rad Stabilität und Sicherheit bieten, während das Gerät stillstand.

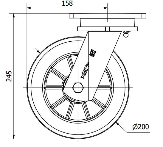
Um diese Spezifikationen zu erfüllen, haben wir auf unsere SERIE SLR200-AUSB200 zurückgegriffen: ein Rad aus gegossenem Polyurethan mit einem Aluminiumkern, das Geschwindigkeiten von bis zu 18 km/h standhalten kann und mit einer Doppelgelenk-Gabel ausgestattet ist, die Widerstand gegen seitliche Belastungen und Drehungen gewährleistet.

SLR200-AUSB200

Das Ergebnis war ein durchschlagender Erfolg und ermöglichte es unserem Kunden, vielseitige mobile Tribünen für alle Arten von Flugzeugwartungen zu nutzen.

Bei Ruedas Alex sind wir weiterhin der Innovation und Exzellenz verpflichtet und bieten Lösungen, die in so anspruchsvollen Sektoren wie der Luftfahrt einen Unterschied machen.