Hersteller seit 1958
Ruedas Alex

SERIE BHD-SLC 2-4810

Siehe Vergleich
Code: 2-4810

Unsere Rollensortiment der Serie BH wird für mittelschwere Ladungen empfohlen. Anwendung: Hostellerie, Krankenhäuser, Ausstellerregale, Ladentische, Dekoration, Kantinen, Esssäale, Restaurants, Supermärkte, Möbel, stapelbare Kisten, Hocker, Vitrinen, Kleiderständer, Hostelleriewagen, Gefrierschränke, Gefriertruhen, Verpackungsmaschinen, Förderbänder, Tischlereien, Werkzeuge, medizinische Geräte, Tropfenzähler, Reiningungskarren

Bestandteile

Gehäuse

Hergestellt aus tiefgezogenem Stahlblech gepresst bis 2 mm. Ausführung: verchromt poliert. Befestigungsarten: Anschraubplatte und Rückenloch. Radkörper aus Holz und Laufbelag aus Gummi, Polycarbonat.Radfarbe. Farben: Buche, Kirsche,wengué und ähnlich Kristall. Verfügbar mit Feststeller.

Rad

Ähnlich Kristallrad

Rollwiderstand Sehr Gut
Lärm während des Marsches Angemessen
Bodenschonend Angemessen

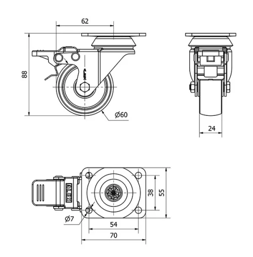
Technische Daten 2-4810

EAN:
8422202248103
Ausführung:
Lenkrollen
Befestigungsarten:
Platte
Bremsentyp:
Totalfeststeller
Laufbelag:
Polycarbonat
Lagerarten:
Gleitlager
Farbe:
Transparent
Durchmesser (mm):
60
Radbreite (mm):
24
Plattenabmessungen (mm):
70x55
Schraublochentfernung (mm):
54x38
Schraublochdurchmesser (mm):
6
Störkreisradius (mm):
62
Gesamthöhe (mm):
88
Tragfähigkeit:
50
Einheit Gewicht des Rades (kg):
0,382
Technische Daten 2-4810

Privater Bereich

Regístrate
Download in Format 3D
Download in Format 2D
DWG
PDF downloaden
PDF
Preis
--

Ähnliche Produkte

Kontakt

Kontaktieren Sie uns

Schicken Sie uns das folgende Formular und wir werden Sie kontaktieren, um Ihre Frage zu beantworten.

Kontaktinformationen:
E-Mail: info@alex.es
Telefon: (+34) 974 035 345
Öffnungszeiten:
Montag bis Freitag: 8-14h / 15-18h
Samstag und Sonntag: Geschlossen
Responsable: Ruedas Alex, S.L.U, siendo la Finalidad: gestionar el contacto entre cualquier interesado y nuestros servicios de atención. La Legitimación: es gracias a tu consentimiento. Destinatarios: no se comunicarán los datos personales a ningún tercero. Podrás efercer Tus Derechos de Acceso, Rectificación, Supresión, Limitación, Oposición y Portabilidad en rgpd@alex.es. Para más información consulte la Política de Privacidad.

Informieren Sie sich über alle Neuheiten, Angebote und Promotionen die wir für Sie vorbereitet haben.