Hersteller seit 1958
Ruedas Alex

SERIE BHI-BP 2-3064

Siehe Vergleich
Code: 2-3064

Räder aus weissem Polypropylen, alle Komponenten sind aus nicht rostendem Stahl (AISI 304). Geeignet für Ladungen bis zu 80 kg.

Anwendung: Aussenbereiche, Ausstellerregale, Hostelleriekarren, Restaurants. Sie werden in mechanischen Ingenieurprojekten von technischen Zeichnern und Projektingenieuren eingesetzt.

BP: formbeständig und resistent. Leichter Schub und Lauf.

Bestandteile

Gehäuse

Hergestellt aus hochwertigem rostfreiem Stahlblech (AISI 304) bis 2 mm. Alle Einbauteile sind rostbeständig. Gehäuse aus hochwertigem, rostfreiem Edelstah, korrosionsunempfindlich, beständig gegen Benzin, Diesel,Öl und Fette. Lenkrollen-Gehäuse mit zweifacher Kugellagerung im Drehkranz. Hergestellt gemäß Europanorm EN 12528/12530

Rad

Rad aus Polypropylen, weiß
Temperaturbereich: -20º ÷ +60º
Rollwiderstand Sehr Gut
Lärm während des Marsches Angemessen
Bodenschonend Angemessen

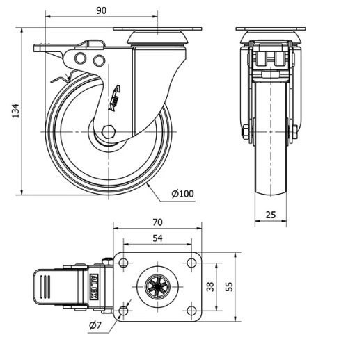
Technische Daten 2-3064

EAN:
8422202230641
Ausführung:
Lenkrollen
Befestigungsarten:
Platte
Bremsentyp:
Totalfeststeller
Laufbelag:
Kunststoff Polypropylen
Lagerarten:
Gleitlager
Durchmesser (mm):
100
Radbreite (mm):
25
Plattenabmessungen (mm):
70x55
Schraublochentfernung (mm):
54x38
Schraublochdurchmesser (mm):
6
Störkreisradius (mm):
90
Gesamthöhe (mm):
134
Tragfähigkeit:
80
Einheit Gewicht des Rades (kg):
0,462
Volumen (cm3):
988
Technische Daten 2-3064

Privater Bereich

Regístrate
Download in Format 3D
Download in Format 2D
DWG
PDF downloaden
PDF
Preis
--

Ähnliche Produkte

Kontakt

Kontaktieren Sie uns

Schicken Sie uns das folgende Formular und wir werden Sie kontaktieren, um Ihre Frage zu beantworten.

Kontaktinformationen:
E-Mail: info@alex.es
Telefon: (+34) 974 035 345
Öffnungszeiten:
Montag bis Freitag: 8-14h / 15-18h
Samstag und Sonntag: Geschlossen
Responsable: Ruedas Alex, S.L.U, siendo la Finalidad: gestionar el contacto entre cualquier interesado y nuestros servicios de atención. La Legitimación: es gracias a tu consentimiento. Destinatarios: no se comunicarán los datos personales a ningún tercero. Podrás efercer Tus Derechos de Acceso, Rectificación, Supresión, Limitación, Oposición y Portabilidad en rgpd@alex.es. Para más información consulte la Política de Privacidad.

Informieren Sie sich über alle Neuheiten, Angebote und Promotionen die wir für Sie vorbereitet haben.