Hersteller seit 1958
Ruedas Alex

SERIE ZVI-POA 2-4963

Siehe Vergleich
Code: 2-4963

Räder aus gespritztem blauem Polyurethan, alle Bestandteile sind aus rostfreiem Stahl (AISI 304). Geeignet für Ladungen bis zu 250 kg.

Anwendung: Aussenbereiche, Lebensmitteltransportkarren, Kantine, Esssaal, Restaurants, Lebensmittelfabriken, Logistik von Missionsmaterial, Verpackungsmaschinen, Förderbänder, Leichtmaschinerie der Bauindustrie, Container, roll-tainers, Transportkäfige, Geflügelfarmen, Chemiefabriken, Gefrierketten, Kühlschränke, Gefriertruhen, Gefrierschränke. Sie werden in mechanischen Ingenieurprojekten von technischen Zeichnern und Projektingenieuren angewendet.

POA: geräuschlos, sauber und elastisch. Sehr verschleissresistent. Hohe Resistenz gegenüber Fetten und Ölen.

Bestandteile

Gehäuse

Hergestellt aus hochwertigem rostfreiem Stahlblech(AISI 304) bis 3mm. Alle Einbauteile sind rostbeständig, Gehäuse Komplett aus Edelstahl, korrosionsunempfindlich, beständig gegen Benzin, Diesel,Öl und Fette. Hergestellt gemäß Europanorm EN 12530/12532.

Rad

Weißer Polypropylen-Radkörper und Laufbelag aus blauem Polyurethan. 80º Shore A
Temperaturbereich: -25º ÷ +80º
Rollwiderstand Gut
Lärm während des Marsches Sehr Gut
Bodenschonend Sehr Gut

Technische Daten 2-4963

EAN:
8422202249636
Ausführung:
Lenkrollen
Befestigungsarten:
Platte
Bremsentyp:
Ohne Bremse
Laufbelag:
Polyurethan
Niedrige Temperaturen (ºC):
-25
Maximaltemperaturen (ºC):
80
Härte der lauffläche:
80º SHORE A
Lagerarten:
Gleitlager
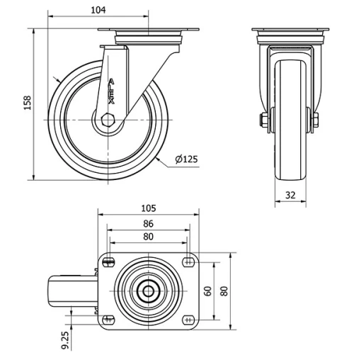
Durchmesser (mm):
125
Radbreite (mm):
32
Plattenabmessungen (mm):
105x80
Schraublochentfernung (mm):
86/80x60
Schraublochdurchmesser (mm):
8
Störkreisradius (mm):
104
Gesamthöhe (mm):
158
Tragfähigkeit:
175
:
L
Technische Daten 2-4963

Privater Bereich

Regístrate
Download in Format 3D
Download in Format 2D
DWG
PDF downloaden
PDF
Preis
--

Ähnliche Produkte

Kontakt

Kontaktieren Sie uns

Schicken Sie uns das folgende Formular und wir werden Sie kontaktieren, um Ihre Frage zu beantworten.

Kontaktinformationen:
E-Mail: info@alex.es
Telefon: (+34) 974 035 345
Öffnungszeiten:
Montag bis Freitag: 8-14h / 15-18h
Samstag und Sonntag: Geschlossen
Responsable: Ruedas Alex, S.L.U, siendo la Finalidad: gestionar el contacto entre cualquier interesado y nuestros servicios de atención. La Legitimación: es gracias a tu consentimiento. Destinatarios: no se comunicarán los datos personales a ningún tercero. Podrás efercer Tus Derechos de Acceso, Rectificación, Supresión, Limitación, Oposición y Portabilidad en rgpd@alex.es. Para más información consulte la Política de Privacidad.

Informieren Sie sich über alle Neuheiten, Angebote und Promotionen die wir für Sie vorbereitet haben.