Hersteller seit 1958
Ruedas Alex

SERIE ZVI-POL 2-3472

Siehe Vergleich
Code: 2-3472

Räder aus gesprtitztem Polyurethan, alle Bestandteile sind aus rostfreiem Stahl (AISI 304). Geeignet für Ladungen bis zu 300 kg.

Anwendung: Aussenbereiche, Lebensmitteltransportkarren, Kantine, Esssaal, Restaurant, Lebensmittelfabriken, Logistik von Missionsmaterial, Verpackungsmaschinen, Förderbänder, Leichtmaschinerie der Bauindustrie, Container, roll-tainer, Transportkäfige, Geflügelfarmen, Chemiefabriken, Lebensmittelketten, Kühlschränke, Gefrierschränke, Gefriertruhen. Sie werden in mechanischen Ingenieurprojekten von technischen Zeichnern und Projektingenieuren eingesetzt.

POL: sehr verschleissresistent. Hohe Resistenz gegenüber Fetten und Ölen. Geräuschlos, formbeständig, hinterlässt keine Spuren.

Bestandteile

Gehäuse

Hergestellt aus hochwertigem rostfreiem Stahlblech(AISI 304) bis 3mm. Alle Einbauteile sind rostbeständig, Gehäuse Komplett aus Edelstahl, korrosionsunempfindlich, beständig gegen Benzin, Diesel,Öl und Fette. Hergestellt gemäß Europanorm EN 12530/12532.

Rad

Weißer Polypropylen-Radkörper und Laufbelag aus braunem Polyurethan. 90º Shore A
Temperaturbereich: -25º ÷ +80º
Rollwiderstand Sehr Gut
Lärm während des Marsches Sehr Gut
Bodenschonend Sehr Gut

Technische Daten 2-3472

EAN:
8422202234724
Ausführung:
Bockrollen
Befestigungsarten:
Platte
Bremsentyp:
Ohne Bremse
Laufbelag:
Polyurethan
Härte der lauffläche:
95º SHORE A
Lagerarten:
Rollenlager Aus Edelstahl
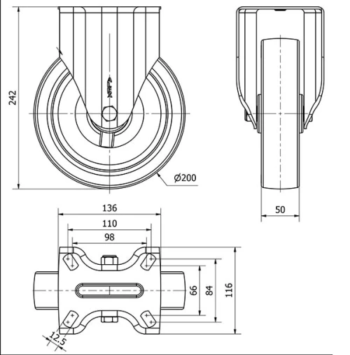
Durchmesser (mm):
200
Radbreite (mm):
50
Plattenabmessungen (mm):
136x116
Schraublochentfernung (mm):
105x80
Schraublochdurchmesser (mm):
10
Gesamthöhe (mm):
242
Tragfähigkeit:
400
Einheit Gewicht des Rades (kg):
2,18
Volumen (cm3):
5614
Technische Daten 2-3472

Privater Bereich

Regístrate
Download in Format 3D
Download in Format 2D
DWG
PDF downloaden
PDF
Preis
--

Ähnliche Produkte

Kontakt

Kontaktieren Sie uns

Schicken Sie uns das folgende Formular und wir werden Sie kontaktieren, um Ihre Frage zu beantworten.

Kontaktinformationen:
E-Mail: info@alex.es
Telefon: (+34) 974 035 345
Öffnungszeiten:
Montag bis Freitag: 8-14h / 15-18h
Samstag und Sonntag: Geschlossen
Responsable: Ruedas Alex, S.L.U, siendo la Finalidad: gestionar el contacto entre cualquier interesado y nuestros servicios de atención. La Legitimación: es gracias a tu consentimiento. Destinatarios: no se comunicarán los datos personales a ningún tercero. Podrás efercer Tus Derechos de Acceso, Rectificación, Supresión, Limitación, Oposición y Portabilidad en rgpd@alex.es. Para más información consulte la Política de Privacidad.

Informieren Sie sich über alle Neuheiten, Angebote und Promotionen die wir für Sie vorbereitet haben.