Hersteller seit 1958
Ruedas Alex

SERIE ZVI-TT 2-1475

Siehe Vergleich
Code: 2-1475

Räder aus Harz, besonders geeignet für hohe Temperaturen und Ladungen bis zu 125 kg. Alle Bestandteile sind aus rostfreiem Stahl (AISI 304).

Anwendung: Öfen, Leichtmaschinerie. Besonders empfohlen für die Industriebranche, Luftfahrt-, Automobil- und Lebensmittelbranche. Automaten, Bäckereigeräte, Leichtmaschinerie, Container, rostfreie Konstruktionen.

Sie werden in mechanischen Ingenieurprojekten von technischen Zeichnern und Projektingenieuren eingesetzt.

TT: Räder aus Harz. Sehr geeignet für die Industriebranche.

Bestandteile

Gehäuse

Hergestellt aus hochwertigem rostfreiem Stahlblech(AISI 304) bis 3mm.Alle Einbauteile sind rostbeständig, Gehäuse Komplett aus Edelstahl, korrosionsunempfindlich, beständig gegen Benzin, Diesel,Öl und Fette.Hergestellt gemäß Europanorm EN 12530/12532.

Rad

Phenolharz-Rad, hitzebeständig bis 280ºC bei kurzzeitigem Betrieb
Temperaturbereich: -30º ÷ +280º
Rollwiderstand Sehr Gut
Lärm während des Marsches Angemessen
Bodenschonend Angemessen

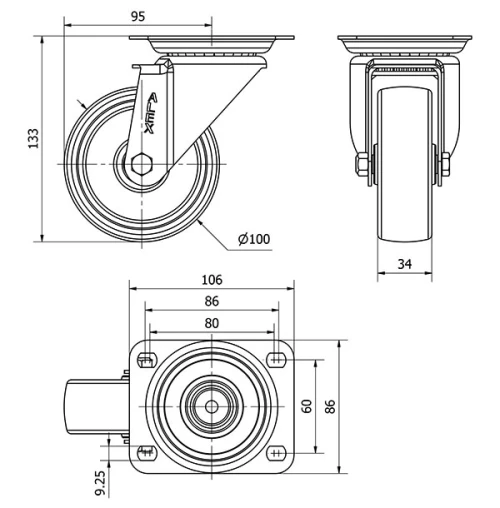
Technische Daten 2-1475

EAN:
8422202214757
Ausführung:
Lenkrollen
Befestigungsarten:
Platte
Bremsentyp:
Ohne Bremse
Laufbelag:
Phenolharz-Rad Hitzebeständig
Niedrige Temperaturen (ºC):
-30
Maximaltemperaturen (ºC):
280
Lagerarten:
Gleitlager
Durchmesser (mm):
100
Radbreite (mm):
34
Plattenabmessungen (mm):
106x86
Schraublochentfernung (mm):
86/80x60
Schraublochdurchmesser (mm):
8
Störkreisradius (mm):
94
Gesamthöhe (mm):
133
Tragfähigkeit:
125
Einheit Gewicht des Rades (kg):
0,74
Volumen (cm3):
1706
Technische Daten 2-1475

Privater Bereich

Regístrate
Download in Format 3D
Download in Format 2D
DWG
PDF downloaden
PDF
Preis
--

Ähnliche Produkte

Kontakt

Kontaktieren Sie uns

Schicken Sie uns das folgende Formular und wir werden Sie kontaktieren, um Ihre Frage zu beantworten.

Kontaktinformationen:
E-Mail: info@alex.es
Telefon: (+34) 974 035 345
Öffnungszeiten:
Montag bis Freitag: 8-14h / 15-18h
Samstag und Sonntag: Geschlossen
Responsable: Ruedas Alex, S.L.U, siendo la Finalidad: gestionar el contacto entre cualquier interesado y nuestros servicios de atención. La Legitimación: es gracias a tu consentimiento. Destinatarios: no se comunicarán los datos personales a ningún tercero. Podrás efercer Tus Derechos de Acceso, Rectificación, Supresión, Limitación, Oposición y Portabilidad en rgpd@alex.es. Para más información consulte la Política de Privacidad.

Informieren Sie sich über alle Neuheiten, Angebote und Promotionen die wir für Sie vorbereitet haben.