Hersteller seit 1958
Ruedas Alex

SERIE A-PGAIB 2-2712

Siehe Vergleich
Code: 2-2712

Räder mit Polyamidkern und Reifen aus thermoplastischem grauem Gummi. Geeignet für Ladungen bis zu 100 kg.

Anwendung: Operationssäale, Betten, Krankenhäuser, Restauration (Küchen, usw..)

PGAIB: Geräuschlos und gute Stossdämpfung. Hinterlässt keine Spuren. Einfache Manövrierfähigkeit.

Bestandteile

Gehäuse

Hergestellt aus tiefgezogenem Stahlblech gepresst bis 2,5 mm.Verchromte Ausführung.Lenkrollen-Gehäuse mit zweifacher Kugellagerung im Drehkranz, verstärkt durch den Einbau von gehärteten Lagerschalen.Hergestellt gemäß Europanorm EN 12530.

Rad

Polypropylen-Radkörper und thermoplastische Laufbelag aus grauem Gummi
Temperaturbereich: -20º ÷ +60º
Rollwiderstand Gut
Lärm während des Marsches Sehr Gut
Bodenschonend Sehr Gut

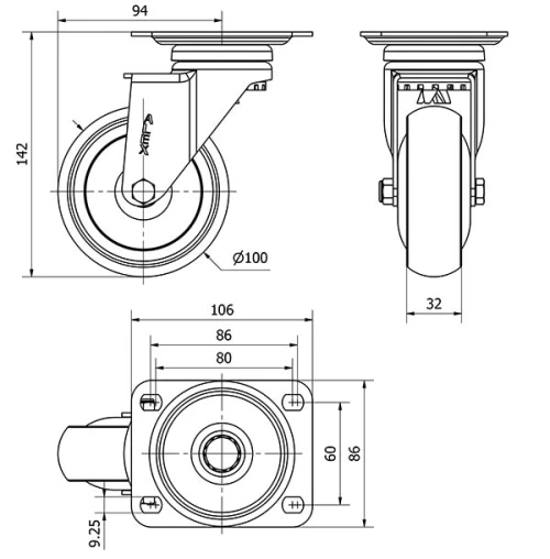
Technische Daten 2-2712

EAN:
8422202227122
Ausführung:
Lenkrollen
Befestigungsarten:
Platte
Bremsentyp:
Ohne Bremse
Laufbelag:
Gummi
Lagerarten:
Kugellager
Durchmesser (mm):
100
Radbreite (mm):
32
Plattenabmessungen (mm):
107x86
Schraublochentfernung (mm):
86/80x60
Schraublochdurchmesser (mm):
8
Störkreisradius (mm):
94
Gesamthöhe (mm):
142
Tragfähigkeit:
100
Einheit Gewicht des Rades (kg):
0,939
Volumen (cm3):
1801
Technische Daten 2-2712

Privater Bereich

Regístrate
Download in Format 3D
Download in Format 2D
DWG
PDF downloaden
PDF
Preis
--

Ähnliche Produkte

Kontakt

Kontaktieren Sie uns

Schicken Sie uns das folgende Formular und wir werden Sie kontaktieren, um Ihre Frage zu beantworten.

Kontaktinformationen:
E-Mail: info@alex.es
Telefon: (+34) 974 035 345
Öffnungszeiten:
Montag bis Freitag: 8-14h / 15-18h
Samstag und Sonntag: Geschlossen
Responsable: Ruedas Alex, S.L.U, siendo la Finalidad: gestionar el contacto entre cualquier interesado y nuestros servicios de atención. La Legitimación: es gracias a tu consentimiento. Destinatarios: no se comunicarán los datos personales a ningún tercero. Podrás efercer Tus Derechos de Acceso, Rectificación, Supresión, Limitación, Oposición y Portabilidad en rgpd@alex.es. Para más información consulte la Política de Privacidad.

Informieren Sie sich über alle Neuheiten, Angebote und Promotionen die wir für Sie vorbereitet haben.