Hersteller seit 1958
Ruedas Alex

SERIE I-PGI 1-0395

Siehe Vergleich
Code: 1-0395

Räder aus grauem Gummi, geeignet für Ladungen bis zu 50 kg.

Anwendung: Gefrierkammern, Ladentische, Buchhandlungen, Büros, Modegeschäfte, Heimwerkergeschäfte, Modegeschäfte, Gefriertruhen, Wäschereien, Archivwagen, Papierentsorgungscontainer, Geschäfte.

PGI: robust, geräuschlos und verkratzt den Boden nicht.

Bestandteile

Gehäuse

Hergestellt aus tiefgezogenem Stahlblech gepresst bis 2mm. Lenkrollen-Gehäuse mit zweifacher Kugellagerung im Drehkranz. Verzinkte Ausführung. Hergestellt gemäß Europanorm EN 12528.

Rad

Polypropylen-Radkörper und Laufbelag aus grauem Gummi
Temperaturbereich: -20º ÷ +60º
Rollwiderstand Gut
Lärm während des Marsches Sehr Gut
Bodenschonend Sehr Gut

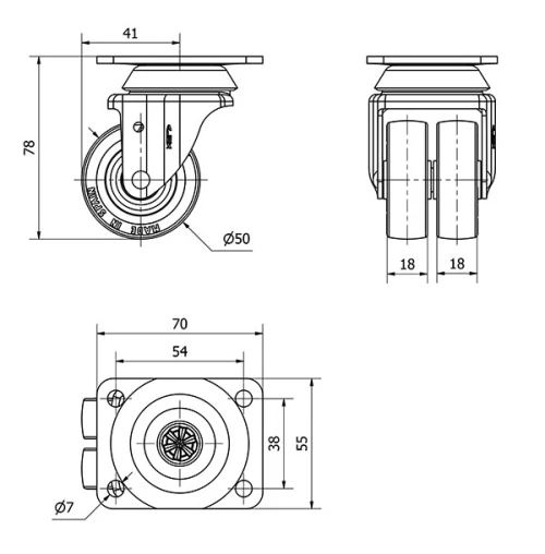
Technische Daten 1-0395

EAN:
8422202103952
Ausführung:
Lenkrollen
Befestigungsarten:
Platte
Bremsentyp:
Ohne Bremse
Laufbelag:
Gummi
Niedrige Temperaturen (ºC):
-20
Maximaltemperaturen (ºC):
60
Lagerarten:
Gleitlager
Durchmesser (mm):
50
Radbreite (mm):
18x2
Plattenabmessungen (mm):
70x55
Schraublochentfernung (mm):
54x38
Schraublochdurchmesser (mm):
6
Störkreisradius (mm):
41
Gesamthöhe (mm):
78
Tragfähigkeit:
70
Einheit Gewicht des Rades (kg):
0,32
Volumen (cm3):
326
Technische Daten 1-0395

Privater Bereich

Regístrate
Download in Format 3D
Download in Format 2D
DWG
PDF downloaden
PDF
Preis
--

Ähnliche Produkte

Kontakt

Kontaktieren Sie uns

Schicken Sie uns das folgende Formular und wir werden Sie kontaktieren, um Ihre Frage zu beantworten.

Kontaktinformationen:
E-Mail: info@alex.es
Telefon: (+34) 974 035 345
Öffnungszeiten:
Montag bis Freitag: 8-14h / 15-18h
Samstag und Sonntag: Geschlossen
Responsable: Ruedas Alex, S.L.U, siendo la Finalidad: gestionar el contacto entre cualquier interesado y nuestros servicios de atención. La Legitimación: es gracias a tu consentimiento. Destinatarios: no se comunicarán los datos personales a ningún tercero. Podrás efercer Tus Derechos de Acceso, Rectificación, Supresión, Limitación, Oposición y Portabilidad en rgpd@alex.es. Para más información consulte la Política de Privacidad.

Informieren Sie sich über alle Neuheiten, Angebote und Promotionen die wir für Sie vorbereitet haben.