Hersteller seit 1958
Ruedas Alex

SERIE 110-110 TW0022

Siehe Vergleich
Code: TW0022

Unser Rädersortiment twin-lex der Serien 110-111 wird für mittelschwere und schwere Ladungen in der Industriebranche empfohlen. Anwendung: Container, roll-pallets, roll-tainers.

Industrielle Karren, Instandhaltung von Fabriken, öffentliche Versorgungsbetriebe, Lebenmittelindustrie, Werkstätten, Fleischfabriken, Konservenfabriken, Schlachthöfe, Geflügelfarmen, Metalltischlereien, Textilindustrie, rohrörmige Karren.

Sie werden in Ingenieurprojekten von technischen Zeichnern und Projektingenieuren angwendet.

Bestandteile

Gehäuse

Tiefgezogenem Stahlblech.Ausführung: verzinkt, glänzend.Befestigungsarten: Platte.Zweifachem Kugelkranz.Radlagerung: Rollenlager.

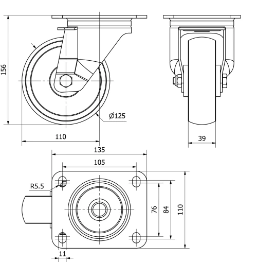
Technische Daten TW0022

EAN:
8422202000220
Ausführung:
Lenkrollen
Befestigungsarten:
Platte
Bremsentyp:
Ohne Bremse
Laufbelag:
Kunststoff Polypropylen
Lagerarten:
Rollenlager
Durchmesser (mm):
125
Radbreite (mm):
40
Plattenabmessungen (mm):
135x110
Schraublochentfernung (mm):
105x85/75
Schraublochdurchmesser (mm):
10
Störkreisradius (mm):
98
Gesamthöhe (mm):
156
Tragfähigkeit:
280
Einheit Gewicht des Rades (kg):
1,5
Volumen (cm3):
2839,98
Technische Daten TW0022

Privater Bereich

Regístrate
Download in Format 3D
Download in Format 2D
DWG
PDF downloaden
PDF
Preis
--

Ähnliche Produkte

Kontakt

Kontaktieren Sie uns

Schicken Sie uns das folgende Formular und wir werden Sie kontaktieren, um Ihre Frage zu beantworten.

Kontaktinformationen:
E-Mail: info@alex.es
Telefon: (+34) 974 035 345
Öffnungszeiten:
Montag bis Freitag: 8-14h / 15-18h
Samstag und Sonntag: Geschlossen
Responsable: Ruedas Alex, S.L.U, siendo la Finalidad: gestionar el contacto entre cualquier interesado y nuestros servicios de atención. La Legitimación: es gracias a tu consentimiento. Destinatarios: no se comunicarán los datos personales a ningún tercero. Podrás efercer Tus Derechos de Acceso, Rectificación, Supresión, Limitación, Oposición y Portabilidad en rgpd@alex.es. Para más información consulte la Política de Privacidad.

Informieren Sie sich über alle Neuheiten, Angebote und Promotionen die wir für Sie vorbereitet haben.