Hersteller seit 1958
Ruedas Alex

SERIE 120-120 TW0035

Siehe Vergleich
Code: TW0035

Räder mit Metallkern und Reifen aus schwarzem Gummi, geeignet für Ladungen bis zu 250 kg.

Anwendung: Werkzeugkarren, rohrformige Karren, interne Logistik, mobile Sitzreihen, Transportutensilien, Hebebühnen, Werkstätten, Logistik von Missionsmaterial, Restaurants, Kehrmaschinen, Pulliermaschinen, Lötmaschinen, mobile Krände, Zementfabriken, Anhänger, Geflügelfarmen, Gabelstapler, roll-pallets, roll-tainers, Container.

TWIN-LEX 120: leicht und geräuschlos. Verkratzt die Böden nicht. Gute Stoss- und Schwingungsdämpfung.

Bestandteile

Gehäuse

Tiefgezogenem Stahlblech.Ausführung: verzinkt, glänzendBefestigungsarten: Platte.Zweifachem Kugelkranz.Radlagerung: Rollenlager.

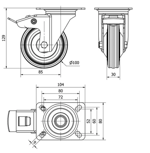
Technische Daten TW0035

EAN:
8422202000350
Ausführung:
Lenkrollen
Befestigungsarten:
Platte
Bremsentyp:
Totalfeststeller
Laufbelag:
Gummi
Lagerarten:
Rollenlager
Durchmesser (mm):
100
Radbreite (mm):
30
Plattenabmessungen (mm):
102x80
Schraublochentfernung (mm):
80x60/72x52
Schraublochdurchmesser (mm):
8
Störkreisradius (mm):
83
Gesamthöhe (mm):
130
Tragfähigkeit:
90
Einheit Gewicht des Rades (kg):
1,05
Volumen (cm3):
1393,6
Technische Daten TW0035

Privater Bereich

Regístrate
Download in Format 3D
Download in Format 2D
DWG
PDF downloaden
PDF
Preis
--

Ähnliche Produkte

Kontakt

Kontaktieren Sie uns

Schicken Sie uns das folgende Formular und wir werden Sie kontaktieren, um Ihre Frage zu beantworten.

Kontaktinformationen:
E-Mail: info@alex.es
Telefon: (+34) 974 035 345
Öffnungszeiten:
Montag bis Freitag: 8-14h / 15-18h
Samstag und Sonntag: Geschlossen
Responsable: Ruedas Alex, S.L.U, siendo la Finalidad: gestionar el contacto entre cualquier interesado y nuestros servicios de atención. La Legitimación: es gracias a tu consentimiento. Destinatarios: no se comunicarán los datos personales a ningún tercero. Podrás efercer Tus Derechos de Acceso, Rectificación, Supresión, Limitación, Oposición y Portabilidad en rgpd@alex.es. Para más información consulte la Política de Privacidad.

Informieren Sie sich über alle Neuheiten, Angebote und Promotionen die wir für Sie vorbereitet haben.