Hersteller seit 1958
Ruedas Alex

SERIE 124-124 TW0305

Siehe Vergleich
Code: TW0305

Räder aus grauem gespritztem Gummi und Reifen aus Polypropylen, geeignet für Ladungen bis zu 110 kg.

Anwendung: Transport von Utensilien, Lebensmittelkarren, Küche, Kantine, Lebensmittelfabriken, Supermärkte, Leichtmaschinerie, Papiercontainer, Transportkäfige, roll-tainer, roll-pallets. Besonders geeignet für die Lebensmittel-, Bau- und Industriebranche.

Sie werden in mechanischen Ingenieurprojekten von technischen Zeichnern und Projektingenieuren angewendet.

TWIN-LEX 124: hinterlässt keine Spuren. Leichter Lauf auch mit Ladung.

Bestandteile

Gehäuse

Hergestellt aus tiefgezogenem Stahlblech bis 4 mmVerzinkte AusführungDoppeltes Kugellager am DrehkranzFür Standardserie für mittlere Lasten

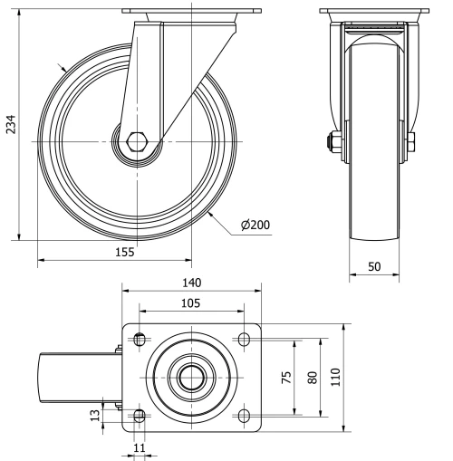
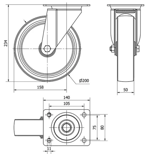
Technische Daten TW0305

EAN:
8422202003054
Ausführung:
Lenkrollen
Befestigungsarten:
Platte
Bremsentyp:
Ohne Bremse
Lagerarten:
Gleitlager
Durchmesser (mm):
200
Radbreite (mm):
50
Plattenabmessungen (mm):
135x114
Schraublochentfernung (mm):
108x85/102x75
Schraublochdurchmesser (mm):
10
Störkreisradius (mm):
142
Gesamthöhe (mm):
238
Tragfähigkeit:
140
Einheit Gewicht des Rades (kg):
2,25
Technische Daten TW0305

Privater Bereich

Regístrate
Download in Format 3D
Download in Format 2D
DWG
PDF downloaden
PDF
Preis
--

Ähnliche Produkte

Kontakt

Kontaktieren Sie uns

Schicken Sie uns das folgende Formular und wir werden Sie kontaktieren, um Ihre Frage zu beantworten.

Kontaktinformationen:
E-Mail: info@alex.es
Telefon: (+34) 974 035 345
Öffnungszeiten:
Montag bis Freitag: 8-14h / 15-18h
Samstag und Sonntag: Geschlossen
Responsable: Ruedas Alex, S.L.U, siendo la Finalidad: gestionar el contacto entre cualquier interesado y nuestros servicios de atención. La Legitimación: es gracias a tu consentimiento. Destinatarios: no se comunicarán los datos personales a ningún tercero. Podrás efercer Tus Derechos de Acceso, Rectificación, Supresión, Limitación, Oposición y Portabilidad en rgpd@alex.es. Para más información consulte la Política de Privacidad.

Informieren Sie sich über alle Neuheiten, Angebote und Promotionen die wir für Sie vorbereitet haben.