Hersteller seit 1958
Ruedas Alex

SERIE 130-130 TW0043

Siehe Vergleich
Code: TW0043

Räder aus weissem Polymid, geeignet für Ladungen bis zu 280 kg.

Anwendung: interne Logistik, Werkstätten, Werkzeugkarren, interne Logistik, mobile Sitzreihen, Transportutensilien, Hebebühnen, Lebensmittelfabriken, Transportkarren, Logistik von Missionsmaterial, Leitern, Verpackungsmaschinen, Förderbänder, Leichtmaschinerie der Bauindustrie, Gabelstapler, Tischlereien, Schlössereien, Metallschreinerei, Geflügelfarmen, Fleischfabriken, Textilfabriken, Sporthallen, Container, Transportkäfige. Besonders geeignet für die Industriebranche, Luftfahrt, Automobil, Lebensmittel, Textil, Bauernhöfe. Auch für Gefriertruhen, Gefrierschränke, rohrförmige Karren.

Sie werden in mechanischen Ingenieurprojekten von technischen Zeichnern und Projektingenieuren eingesetzt.

TWN-LEX 130: formbeständig und resistent. Leichter Schub und Lauf.

Bestandteile

Gehäuse

Tiefgezogenem Stahlblech.Ausführung: verzinkt, glänzendBefestigungsarten: Platte.Zweifachem KugelkranzRadlagerung: Rollenlager.

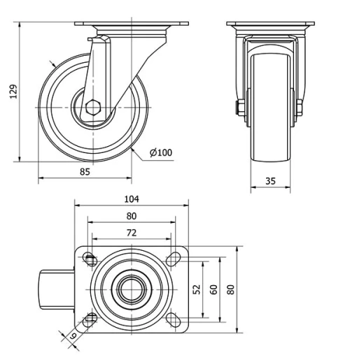
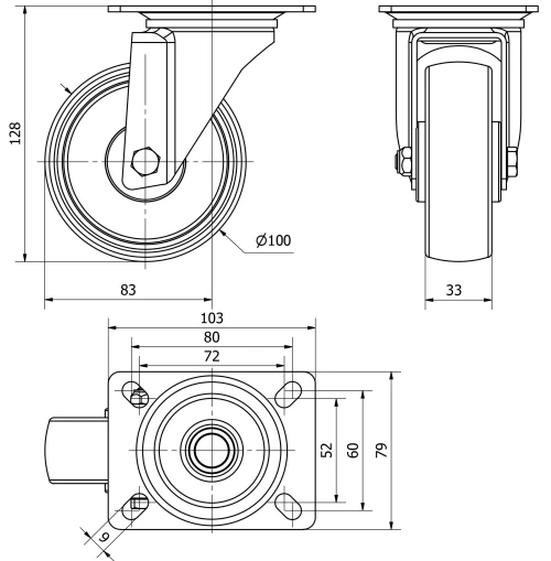
Technische Daten TW0043

EAN:
8422202000435
Ausführung:
Lenkrollen
Befestigungsarten:
Platte
Bremsentyp:
Ohne Bremse
Laufbelag:
Polypropylen
Lagerarten:
Rollenlager
Durchmesser (mm):
100
Radbreite (mm):
35
Plattenabmessungen (mm):
102x80
Schraublochentfernung (mm):
80x60/72x52
Schraublochdurchmesser (mm):
8
Störkreisradius (mm):
83
Gesamthöhe (mm):
128
Tragfähigkeit:
150
Einheit Gewicht des Rades (kg):
0,656
Volumen (cm3):
1393,6
Technische Daten TW0043

Privater Bereich

Regístrate
Download in Format 3D
Download in Format 2D
DWG
PDF downloaden
PDF
Preis
--

Ähnliche Produkte

Kontakt

Kontaktieren Sie uns

Schicken Sie uns das folgende Formular und wir werden Sie kontaktieren, um Ihre Frage zu beantworten.

Kontaktinformationen:
E-Mail: info@alex.es
Telefon: (+34) 974 035 345
Öffnungszeiten:
Montag bis Freitag: 8-14h / 15-18h
Samstag und Sonntag: Geschlossen
Responsable: Ruedas Alex, S.L.U, siendo la Finalidad: gestionar el contacto entre cualquier interesado y nuestros servicios de atención. La Legitimación: es gracias a tu consentimiento. Destinatarios: no se comunicarán los datos personales a ningún tercero. Podrás efercer Tus Derechos de Acceso, Rectificación, Supresión, Limitación, Oposición y Portabilidad en rgpd@alex.es. Para más información consulte la Política de Privacidad.

Informieren Sie sich über alle Neuheiten, Angebote und Promotionen die wir für Sie vorbereitet haben.