Hersteller seit 1958
Ruedas Alex

SERIE 140-140 TW0310

Siehe Vergleich
Code: TW0310

Räder mit weissem Polyamidkern und Reifen aus rotem Polyurethan, geeignet für Ladungen bis zu 150 kg.

Anwendung: logistischer Transport, Werkstätten, Aussenbereiche, interne Logistik, Werkzeugkarren, rohrförmige Karren, Reifenfabriken, interne Logistik, Werkzeugkarren, Transport von Utensilien, Hebebühnen, Transportkarren, Leitern, Kehrmaschinen, Pulliermaschinen, Verpackungsmaschinen, Förderbänder, mobile Kräne, Gabelstapler, Tischlereien, Metallschreinereien, Geflügelfarmen, Fleischfabriken, Container, Sporthallen, Musikboxen.

Besonders geeignet für die Luftfahrt-, Eisenbahn-, Automobil-, Lebensmittelbranche, Werkstätten, industrielle Aktivitäten.

Sie werden in mechanischen Ingenieurprojekten von technischen Zeichnern und Projektingenieuren angewendet.

TWIN-LEX 140: sehr verschleissresistent. Gute Resistenz gegen Fette und Öle. Geräuschlos, formbeständig und hinterlässt keine Spuren.

Bestandteile

Gehäuse

Hergestellt aus tiefgezogenem Stahlblech bis 4 mmVerzinkte AusführungDoppeltes Kugellager am DrehkranzFür Standardserie für mittlere Lasten

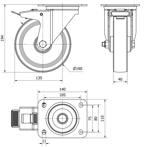
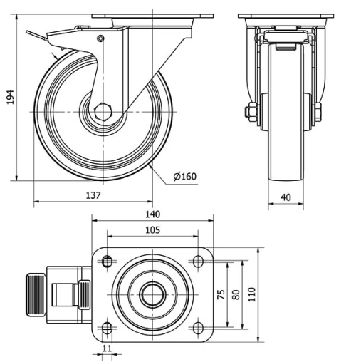
Technische Daten TW0310

EAN:
8422202003108
Ausführung:
Lenkrollen
Befestigungsarten:
Platte
Bremsentyp:
Totalfeststeller
Lagerarten:
Gleitlager
Durchmesser (mm):
160
Radbreite (mm):
40
Plattenabmessungen (mm):
135x114
Schraublochentfernung (mm):
108x85/102x75
Schraublochdurchmesser (mm):
10
Störkreisradius (mm):
124
Gesamthöhe (mm):
197
Tragfähigkeit:
250
Einheit Gewicht des Rades (kg):
2,188
Technische Daten TW0310

Privater Bereich

Regístrate
Download in Format 3D
Download in Format 2D
DWG
PDF downloaden
PDF
Preis
--

Ähnliche Produkte

Kontakt

Kontaktieren Sie uns

Schicken Sie uns das folgende Formular und wir werden Sie kontaktieren, um Ihre Frage zu beantworten.

Kontaktinformationen:
E-Mail: info@alex.es
Telefon: (+34) 974 035 345
Öffnungszeiten:
Montag bis Freitag: 8-14h / 15-18h
Samstag und Sonntag: Geschlossen
Responsable: Ruedas Alex, S.L.U, siendo la Finalidad: gestionar el contacto entre cualquier interesado y nuestros servicios de atención. La Legitimación: es gracias a tu consentimiento. Destinatarios: no se comunicarán los datos personales a ningún tercero. Podrás efercer Tus Derechos de Acceso, Rectificación, Supresión, Limitación, Oposición y Portabilidad en rgpd@alex.es. Para más información consulte la Política de Privacidad.

Informieren Sie sich über alle Neuheiten, Angebote und Promotionen die wir für Sie vorbereitet haben.