Hersteller seit 1958
Ruedas Alex

SERIE 411-411 TW0102

Siehe Vergleich
Code: TW0102

Doppelte Räder aus grauem Polypropylen, für Ladungen bis zu 80 kg.

Anwendung: Gefrierkammern, Ausstellertische, Maschinen für Grillhähnchen, Buchhaltungen, Büros, Modeboutiquen, Baumärkte, Gefriertruhen, Archivkarren, Container zur Vernichtung von Dokumenten, Geschäfte.

Twin-lex 411: robust, geräuschlos und verkratzt den Boden nicht. Hinterlässt keine Spuren.

Bestandteile

Gehäuse

Tiefgezogenem Stahlblech.Ausführung: verzinkt, glänzend.Befestigung durch Rückenloch und Anschraubplatten.Zweifachem Kugelkranz.Radlagerung: Gleitlager.

Technische Daten TW0102

EAN:
8422202001029
Ausführung:
Lenkrollen
Befestigungsarten:
Platte
Bremsentyp:
Ohne Bremse
Laufbelag:
Polyamid 6
Lagerarten:
Gleitlager
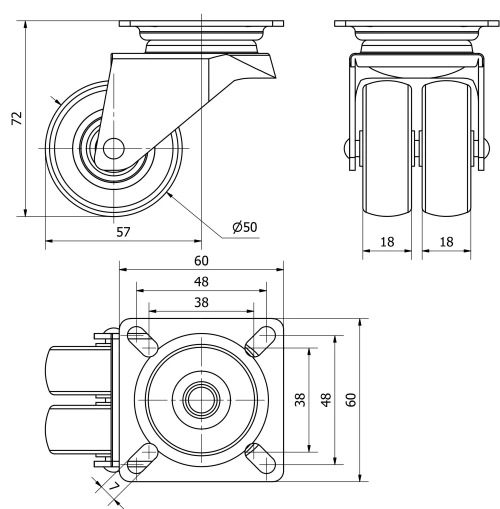
Durchmesser (mm):
50
Radbreite (mm):
20x2
Plattenabmessungen (mm):
60x60
Schraublochentfernung (mm):
47x47/40x40
Schraublochdurchmesser (mm):
6
Störkreisradius (mm):
55
Gesamthöhe (mm):
72
Tragfähigkeit:
80
Einheit Gewicht des Rades (kg):
0,24
Volumen (cm3):
367,2
Technische Daten TW0102

Privater Bereich

Regístrate
Download in Format 3D
Download in Format 2D
DWG
PDF downloaden
PDF
Preis
--

Ähnliche Produkte

Kontakt

Kontaktieren Sie uns

Schicken Sie uns das folgende Formular und wir werden Sie kontaktieren, um Ihre Frage zu beantworten.

Kontaktinformationen:
E-Mail: info@alex.es
Telefon: (+34) 974 035 345
Öffnungszeiten:
Montag bis Freitag: 8-14h / 15-18h
Samstag und Sonntag: Geschlossen
Responsable: Ruedas Alex, S.L.U, siendo la Finalidad: gestionar el contacto entre cualquier interesado y nuestros servicios de atención. La Legitimación: es gracias a tu consentimiento. Destinatarios: no se comunicarán los datos personales a ningún tercero. Podrás efercer Tus Derechos de Acceso, Rectificación, Supresión, Limitación, Oposición y Portabilidad en rgpd@alex.es. Para más información consulte la Política de Privacidad.

Informieren Sie sich über alle Neuheiten, Angebote und Promotionen die wir für Sie vorbereitet haben.