Hersteller seit 1958
Ruedas Alex

SERIE 601-601 TW0151

Siehe Vergleich
Code: TW0151

Räder aus grauem gespritztem Gummi, geeignet für Ladungen bis zu 25 kg.

Anwendung: Ausstellerregale, Möbel, Regale, Hocker, Kleiderständer, Hostelleriekarren, Tischlereien, Stände, Reinigungskarren, Computertische, kleine Möbel, Nachttische.

TWIN-LEX 601: verkratzt die Böden nicht. Geräuschlos und hinterlässt keine Spuren.

Bestandteile

Gehäuse

Hergestellt aus tiefgezogenem Stahlblech gepresst bis 2 mm. Verzinke Ausführung. Lenkrollen-Gehäuse mit zweifacher Kugellagerung im Drehkranz.Gummi-Räder Ø 50 und 60 mm mit Fadenschütze ausgestattet.Hergestellt gemäß Europanorm EN 12528.

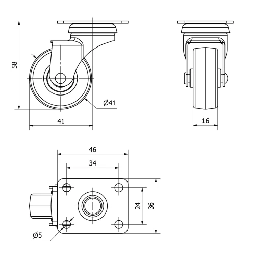
Technische Daten TW0151

EAN:
8422202001517
Ausführung:
Lenkrollen
Befestigungsarten:
Platte
Bremsentyp:
Ohne Bremse
Lagerarten:
Gleitlager
Durchmesser (mm):
40
Radbreite (mm):
16
Plattenabmessungen (mm):
46x36
Schraublochentfernung (mm):
34x24
Schraublochdurchmesser (mm):
5
Störkreisradius (mm):
45
Gesamthöhe (mm):
58
Tragfähigkeit:
17
Einheit Gewicht des Rades (kg):
0,092
Volumen (cm3):
141,98
Technische Daten TW0151

Privater Bereich

Regístrate
Download in Format 3D
Download in Format 2D
DWG
PDF downloaden
PDF
Preis
--

Ähnliche Produkte

Kontakt

Kontaktieren Sie uns

Schicken Sie uns das folgende Formular und wir werden Sie kontaktieren, um Ihre Frage zu beantworten.

Kontaktinformationen:
E-Mail: info@alex.es
Telefon: (+34) 974 035 345
Öffnungszeiten:
Montag bis Freitag: 8-14h / 15-18h
Samstag und Sonntag: Geschlossen
Responsable: Ruedas Alex, S.L.U, siendo la Finalidad: gestionar el contacto entre cualquier interesado y nuestros servicios de atención. La Legitimación: es gracias a tu consentimiento. Destinatarios: no se comunicarán los datos personales a ningún tercero. Podrás efercer Tus Derechos de Acceso, Rectificación, Supresión, Limitación, Oposición y Portabilidad en rgpd@alex.es. Para más información consulte la Política de Privacidad.

Informieren Sie sich über alle Neuheiten, Angebote und Promotionen die wir für Sie vorbereitet haben.