Hersteller seit 1958
Ruedas Alex

SERIE ZVR-TA 2-3896

Siehe Vergleich
Code: 2-3896

Räder aus geschmolzenem Eisen, geeignet für schwere Lasten bis zu 700 kg.

Anwendung: logistischer Transport, Container, industrieller Transport, Werkzeugkarren, Lebenmittelfabriken, Logistik von Missionsmaterial, Schwermaschinerie, mobile Kräne, Kesslereien, Projektingenieure, technische Zeichner, Ingenieurwesen, Werkstätte

Sie werden in Ingenieurprojekten von technischen Zeichnern und Projektingenieuren eingesetzt.

TA: sehr gut geeignet für schwierige Bodenbeläge mit schneidenden Objekten oder chemischen Produkten, oder hohe Temperaturen welche andere Arten von Rädern zerstören würden. Sehr hohe Tragfähigkeit.

Bestandteile

Gehäuse

Hergestellt aus Stahlblech bis 4 mm. Schwenklager mit zweifachem Kugelkranz und gehärteten Lagerschalen. Staubgeschützte Abdeckung der Drehkranzlagerung mit Schmiernippel. Hergestellt nach den Europäischen Normen EN12532/12533

Rad

Vollstahlrad
Temperaturbereich: -40º ÷ +300º
Rollwiderstand Hervorragender
Lärm während des Marsches Ausreichend
Bodenschonend Ausreichend

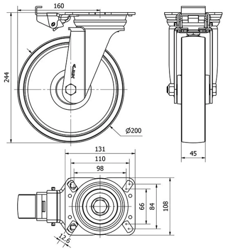
Technische Daten 2-3896

EAN:
8422202238968
Ausführung:
Lenkrollen
Befestigungsarten:
Platte
Bremsentyp:
Richtungsfeststeller
Laufbelag:
Stahlrad
Lagerarten:
Gleitlager
Durchmesser (mm):
200
Radbreite (mm):
45
Plattenabmessungen (mm):
140x110
Schraublochentfernung (mm):
105x80
Schraublochdurchmesser (mm):
10
Störkreisradius (mm):
160
Gesamthöhe (mm):
244
Tragfähigkeit:
700
Einheit Gewicht des Rades (kg):
7,12
Volumen (cm3):
5761,86
Technische Daten 2-3896

Privater Bereich

Regístrate
Download in Format 3D
Download in Format 2D
DWG
PDF downloaden
PDF
Preis
--

Ähnliche Produkte

Kontakt

Kontaktieren Sie uns

Schicken Sie uns das folgende Formular und wir werden Sie kontaktieren, um Ihre Frage zu beantworten.

Kontaktinformationen:
E-Mail: info@alex.es
Telefon: (+34) 974 035 345
Öffnungszeiten:
Montag bis Freitag: 8-14h / 15-18h
Samstag und Sonntag: Geschlossen
Responsable: Ruedas Alex, S.L.U, siendo la Finalidad: gestionar el contacto entre cualquier interesado y nuestros servicios de atención. La Legitimación: es gracias a tu consentimiento. Destinatarios: no se comunicarán los datos personales a ningún tercero. Podrás efercer Tus Derechos de Acceso, Rectificación, Supresión, Limitación, Oposición y Portabilidad en rgpd@alex.es. Para más información consulte la Política de Privacidad.

Informieren Sie sich über alle Neuheiten, Angebote und Promotionen die wir für Sie vorbereitet haben.