Hersteller seit 1958
Ruedas Alex

SERIE ZVR-HU 2-3868

Siehe Vergleich
Code: 2-3868

Räder mit Stahlkörper und Laufbelag aus geschmolzenem Polyurethan mit eine Härte von 95º shore A, besonders geeignet für schwere Lasten bis zu 700 kg.

Anwendung: logistischer Transport, Container, industrieller Transport, Werkzeugwagen, mobile Sitzreihen, Lebensmittelfabriken, Logistik von Missionsmaterial, Kehrmaschinen, Pulliermaschinen, Schwermaschinerie, mobile Kräne, Gabelstapler, Kesslereien, Projektingenieure, technische Zeichner, Ingenieurwesen. Besonders empfohlen für die Luftfahrt-, Eisenbahn-, Automobil- und Lebensmittelbranche. WerkstÄtten, industrielle Aktivitäten.

HU: grosse Tragfähigkeit und hoheStossdämpfung. Geeignet für unebene, rauhe, gebrochenen Bodenbeläge, mit Metallspänen, Ölflecken, Glassplittern, fettig, Kies.

Bestandteile

Gehäuse

Hergestellt aus Stahlblech bis 4 mm. Schwenklager mit zweifachem Kugelkranz und gehärteten Lagerschalen. Staubgeschützte Abdeckung der Drehkranzlagerung mit Schmiernippel. Hergestellt nach den Europäischen Normen EN12532/12533

Rad

Rollwiderstand Sehr Gut
Lärm während des Marsches Gut
Bodenschonend Sehr Gut

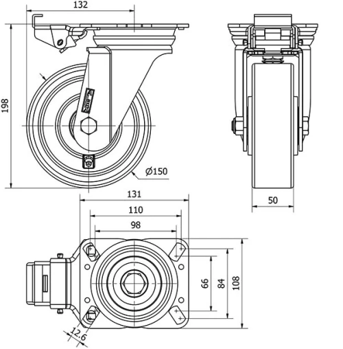
Technische Daten 2-3868

EAN:
8422202238685
Ausführung:
Lenkrollen
Befestigungsarten:
Platte
Bremsentyp:
Richtungsfeststeller
Laufbelag:
Polyurethan
Härte der lauffläche:
95º SHORE A
Lagerarten:
Kugellager
Durchmesser (mm):
150
Radbreite (mm):
50
Plattenabmessungen (mm):
140x110
Schraublochentfernung (mm):
105x80
Schraublochdurchmesser (mm):
10
Störkreisradius (mm):
132
Gesamthöhe (mm):
198
Tragfähigkeit:
650
Einheit Gewicht des Rades (kg):
4,89
Volumen (cm3):
4141,01
Technische Daten 2-3868

Privater Bereich

Regístrate
Download in Format 3D
Download in Format 2D
DWG
PDF downloaden
PDF
Preis
--

Ähnliche Produkte

Kontakt

Kontaktieren Sie uns

Schicken Sie uns das folgende Formular und wir werden Sie kontaktieren, um Ihre Frage zu beantworten.

Kontaktinformationen:
E-Mail: info@alex.es
Telefon: (+34) 974 035 345
Öffnungszeiten:
Montag bis Freitag: 8-14h / 15-18h
Samstag und Sonntag: Geschlossen
Responsable: Ruedas Alex, S.L.U, siendo la Finalidad: gestionar el contacto entre cualquier interesado y nuestros servicios de atención. La Legitimación: es gracias a tu consentimiento. Destinatarios: no se comunicarán los datos personales a ningún tercero. Podrás efercer Tus Derechos de Acceso, Rectificación, Supresión, Limitación, Oposición y Portabilidad en rgpd@alex.es. Para más información consulte la Política de Privacidad.

Informieren Sie sich über alle Neuheiten, Angebote und Promotionen die wir für Sie vorbereitet haben.