Hersteller seit 1958
Ruedas Alex

SERIE SLR-HUAB 2-3727

Siehe Vergleich
Code: 2-3727

Rollen mit Stahlkern und Reifen aus geschmolzenem Polyurethan mit einer Härte von 95º shore A, besonders geeignet für schwere Lasten bis zu 800 kg.

Anwendungsbereiche: logistischer Transport, Aussenbereiche, interne Logistik, Gabelstapler, Hebebühnen, Logistik von Missionsmaterial, Schwermaschinerie, mobile Kräne, Wagen, industrielle Bereiche. Sie werden in mechanischen Ingenieurprojekten von technischen Zeichnern  eingesetzt.

HUAB: Höchste Manövrierfähigkeit. Leicht zu bwegn. Sehr gute Stossdämpfung. Gut geeignet für unebene, rauhe, gebrochene Böden, mit Metallspänen, Ölflecken, Glassplittern, Kieselsteinen. 

Bestandteile

Gehäuse

Stahlschweiβkonstruktion bis 8 mm. Lenkrollen Gehäuse mit Kugellagerung und Kegelrollenlager im Drehkranz. Entwickelt für den Einsatz in der Werkinstandhaltung, der Metallindustrie sowie an mechanisch gezogenen Wagen. Weiβ verzinkt Hergestellt nach der Europäischen Norm EN 12532.

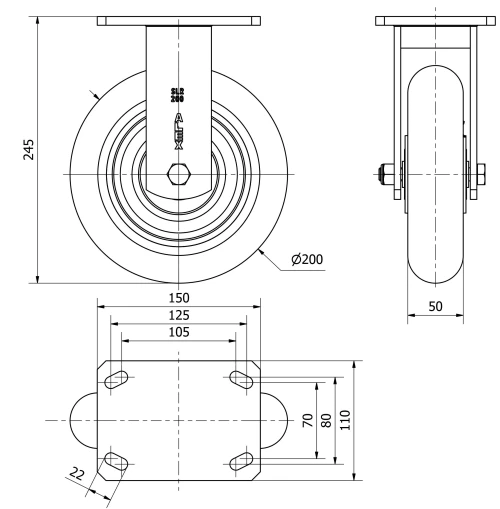
Technische Daten 2-3727

EAN:
8422202237275
Ausführung:
Bockrollen
Befestigungsarten:
Platte
Bremsentyp:
Ohne Bremse
Laufbelag:
Polyurethan
Härte der lauffläche:
95º SHORE A
Lagerarten:
Kugellager
Durchmesser (mm):
200
Radbreite (mm):
50
Plattenabmessungen (mm):
150x110
Schraublochentfernung (mm):
125x70/105x80
Gesamthöhe (mm):
245
Tragfähigkeit:
800
Technische Daten 2-3727

Privater Bereich

Regístrate
Download in Format 3D
Download in Format 2D
DWG
PDF downloaden
PDF
Preis
--

Ähnliche Produkte

Kontakt

Kontaktieren Sie uns

Schicken Sie uns das folgende Formular und wir werden Sie kontaktieren, um Ihre Frage zu beantworten.

Kontaktinformationen:
E-Mail: info@alex.es
Telefon: (+34) 974 035 345
Öffnungszeiten:
Montag bis Freitag: 8-14h / 15-18h
Samstag und Sonntag: Geschlossen
Responsable: Ruedas Alex, S.L.U, siendo la Finalidad: gestionar el contacto entre cualquier interesado y nuestros servicios de atención. La Legitimación: es gracias a tu consentimiento. Destinatarios: no se comunicarán los datos personales a ningún tercero. Podrás efercer Tus Derechos de Acceso, Rectificación, Supresión, Limitación, Oposición y Portabilidad en rgpd@alex.es. Para más información consulte la Política de Privacidad.

Informieren Sie sich über alle Neuheiten, Angebote und Promotionen die wir für Sie vorbereitet haben.