Hersteller seit 1958
Ruedas Alex

SERIE ZVR-AUB 2-0086

Siehe Vergleich
Code: 2-0086

Räder mit Aluminiumkörper und Laufbelag aus geschmolzenem Polyurethan mit einer Härte von 95º shore A. Besonders geeignet für Lasten bis zu 700 kg.

Anwendung: logistischer Transport, Container, industrieller Transport, Werkzeugwagen, mobile Sitzreihen, Lebensmittelfabriken, Logistik von Missionsmaterial, Kehrmaschinen, Pulliermaschinen, Schwermaschinerie, mobile Kräne, Gabelstapler, Kesslereien, Container, technische Zeichner, Projektingenieure, Ingenieurwesen.

Besonders empfohlen für die Luftfahrt-, Eisenbahn-, Automobil- und Lebensmittelbranche. Werkstätten, industrielle Aktivitäten.

Sie werden in Ingenieurprojekten von technischen Zeichnern und Projektingenieuren eingesetzt.

AUB: Polyurethan mit sehr grosser Tragfähigkeit und guter Stossdämpfung.

Bestandteile

Gehäuse

Hergestellt aus Stahlblech bis 4 mm. Schwenklager mit zweifachem Kugelkranz und gehärteten Lagerschalen. Staubgeschützte Abdeckung der Drehkranzlagerung mit Schmiernippel. Hergestellt nach den Europäischen Normen EN12532/12533

Rad

Radkörper aus Aluminium-Druckguss und Laufbelag aus Polyurethan.95º Shore A
Temperaturbereich: -20º ÷ +60º
Rollwiderstand Sehr Gut
Lärm während des Marsches Gut
Bodenschonend Sehr Gut

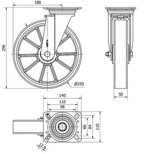
Technische Daten 2-0086

EAN:
8422202200866
Ausführung:
Lenkrollen
Befestigungsarten:
Platte
Bremsentyp:
Ohne Bremse
Laufbelag:
Polyurethan
Härte der lauffläche:
95º SHORE A
Lagerarten:
Kugellager
Farbe:
Orange
Durchmesser (mm):
250
Radbreite (mm):
50
Plattenabmessungen (mm):
140x110
Schraublochentfernung (mm):
105x80
Schraublochdurchmesser (mm):
10
Störkreisradius (mm):
185
Gesamthöhe (mm):
297
Tragfähigkeit:
700
Volumen (cm3):
8140
Technische Daten 2-0086

Privater Bereich

Regístrate
Download in Format 3D
Download in Format 2D
DWG
PDF downloaden
PDF
Preis
--

Ähnliche Produkte

Kontakt

Kontaktieren Sie uns

Schicken Sie uns das folgende Formular und wir werden Sie kontaktieren, um Ihre Frage zu beantworten.

Kontaktinformationen:
E-Mail: info@alex.es
Telefon: (+34) 974 035 345
Öffnungszeiten:
Montag bis Freitag: 8-14h / 15-18h
Samstag und Sonntag: Geschlossen
Responsable: Ruedas Alex, S.L.U, siendo la Finalidad: gestionar el contacto entre cualquier interesado y nuestros servicios de atención. La Legitimación: es gracias a tu consentimiento. Destinatarios: no se comunicarán los datos personales a ningún tercero. Podrás efercer Tus Derechos de Acceso, Rectificación, Supresión, Limitación, Oposición y Portabilidad en rgpd@alex.es. Para más información consulte la Política de Privacidad.

Informieren Sie sich über alle Neuheiten, Angebote und Promotionen die wir für Sie vorbereitet haben.