Hersteller seit 1958
Ruedas Alex

SERIE 61-FT 4-0117

Siehe Vergleich
Code: 4-0117

Räder aus extrastarkem Nylon, geeignet für Ladungen bis zu 650 kg.

Anwendung: Transportutensilien, Werkstatt, Aussenbereiche, interne Logistik, Werkzeugkarren, rohrförmige Karren, Container für Abfallprodukte, Werkzeugkarren, Hebebühnen, Transportkarren, Leitern, Kehrmaschinen, Pulliermaschinen, Verpackungsmaschinen, Förderbänder, mobile Kräne, Gabelstapler, Tischlereien, Metallschreinereien, Geflügelfarmen, Fleischfabriken, Container.

Besonders geeignet für die Eisenbahn-, Automobil-, Lebensmittelindustrie, Werkstätten, Industrieaktivitäten.

Sie werden in mechanischen Ingenieurprojekten von technischen Zeichnern und Projektingenieuren angewendet.

FT: besonders geeignet für die Lebensmittel- und Chemiebranche. Hinterlässt keine Spuren. Extrastark. Sehr gute Stossdämpfung.

Bestandteile

Gehäuse

Lenkgehäuse für schwere Arbeiten.Aus Stahlblech gepresst bis 4 mm.Verzinkte Ausführung.Die solide Konstruktion des Lenkgehäuses bietet eine Kombination aus hoher Wirksamkeit, langer Nutzlebensdauer und einer hervorragenden Leistung.Hergestellt gemäß Europanorm EN 12532

Rad

Aus hochwertigem Polyamid 6, weiß
Temperaturbereich: -30º ÷ +80º
Rollwiderstand Hervorragender
Lärm während des Marsches Angemessen
Bodenschonend Angemessen

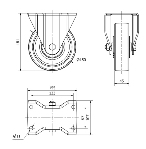
Technische Daten 4-0117

EAN:
8422202401171
Ausführung:
Bockrollen
Befestigungsarten:
Platte
Bremsentyp:
Ohne Bremse
Laufbelag:
Polyamid 6
Lagerarten:
Kugellager
Durchmesser (mm):
150
Radbreite (mm):
45
Plattenabmessungen (mm):
155x107
Schraublochentfernung (mm):
133x67
Schraublochdurchmesser (mm):
10
Gesamthöhe (mm):
181
Tragfähigkeit:
650
Einheit Gewicht des Rades (kg):
1,904
Volumen (cm3):
3002
Technische Daten 4-0117

Privater Bereich

Regístrate
Download in Format 3D
Download in Format 2D
DWG
PDF downloaden
PDF
Preis
--

Ähnliche Produkte

Kontakt

Kontaktieren Sie uns

Schicken Sie uns das folgende Formular und wir werden Sie kontaktieren, um Ihre Frage zu beantworten.

Kontaktinformationen:
E-Mail: info@alex.es
Telefon: (+34) 974 035 345
Öffnungszeiten:
Montag bis Freitag: 8-14h / 15-18h
Samstag und Sonntag: Geschlossen
Responsable: Ruedas Alex, S.L.U, siendo la Finalidad: gestionar el contacto entre cualquier interesado y nuestros servicios de atención. La Legitimación: es gracias a tu consentimiento. Destinatarios: no se comunicarán los datos personales a ningún tercero. Podrás efercer Tus Derechos de Acceso, Rectificación, Supresión, Limitación, Oposición y Portabilidad en rgpd@alex.es. Para más información consulte la Política de Privacidad.

Informieren Sie sich über alle Neuheiten, Angebote und Promotionen die wir für Sie vorbereitet haben.