Hersteller seit 1958
Ruedas Alex

SERIE 61-HG 4-1297

Siehe Vergleich
Code: 4-1297

Räder mit Stahlkern und Gummi aus natürlichem schwarzem Gummi, geeignet für Ladungen bis zu 400 kg.

Anwendung: Transportutensilien, Werkstätten, interne Logistik, Hebebühnen. Besonders geeignet für die Industriebranche.

HG: geeignet für mechanischen und manuellen Antrieb. Für die Industriebranche im allgemeinen. Geräuschlos.

Bestandteile

Gehäuse

Lenkgehäuse für schwere Arbeiten.Aus Stahlblech gepresst bis 4 mm.Verzinkte Ausführung.Die solide Konstruktion des Lenkgehäuses bietet eine Kombination aus hoher Wirksamkeit, langer Nutzlebensdauer und einer hervorragenden Leistung.Hergestellt gemäß Europanorm EN 12532

Rad

Stahl-Radkörper und Gummi-Laufbelag, mit Langzeitfett geschmiert
Temperaturbereich: -20º ÷ +60º
Rollwiderstand Angemessen
Lärm während des Marsches Hervorragender
Bodenschonend Hervorragender

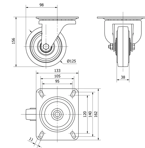
Technische Daten 4-1297

EAN:
8422202412979
Ausführung:
Lenkrollen
Befestigungsarten:
Platte
Bremsentyp:
Ohne Bremse
Laufbelag:
Gummi
Lagerarten:
Kugellager
Durchmesser (mm):
125
Radbreite (mm):
38
Plattenabmessungen (mm):
162x133
Schraublochentfernung (mm):
140x105/120x95
Schraublochdurchmesser (mm):
10
Störkreisradius (mm):
98
Gesamthöhe (mm):
156
Tragfähigkeit:
225
Einheit Gewicht des Rades (kg):
2,937
Volumen (cm3):
3714
Technische Daten 4-1297

Privater Bereich

Regístrate
Download in Format 3D
Download in Format 2D
DWG
PDF downloaden
PDF
Preis
--

Ähnliche Produkte

Kontakt

Kontaktieren Sie uns

Schicken Sie uns das folgende Formular und wir werden Sie kontaktieren, um Ihre Frage zu beantworten.

Kontaktinformationen:
E-Mail: info@alex.es
Telefon: (+34) 974 035 345
Öffnungszeiten:
Montag bis Freitag: 8-14h / 15-18h
Samstag und Sonntag: Geschlossen
Responsable: Ruedas Alex, S.L.U, siendo la Finalidad: gestionar el contacto entre cualquier interesado y nuestros servicios de atención. La Legitimación: es gracias a tu consentimiento. Destinatarios: no se comunicarán los datos personales a ningún tercero. Podrás efercer Tus Derechos de Acceso, Rectificación, Supresión, Limitación, Oposición y Portabilidad en rgpd@alex.es. Para más información consulte la Política de Privacidad.

Informieren Sie sich über alle Neuheiten, Angebote und Promotionen die wir für Sie vorbereitet haben.