Hersteller seit 1958
Ruedas Alex

SERIE 61-HU 4-0275

Siehe Vergleich
Code: 4-0275

Räder mit Stahlkern und Reifen aus geschmolzenem Polyurethan mit einer Härte von 95º shore A, geeignet für Ladungen bis zu 680 kg.

Anwendung: Transportutensilien, Werkstatt, Aussenbereiche, interne Logistik, Werkzeugkarren, rohrförmige Karren, Container von Abfallprodukten, interne Logistik, Werkzeugkarren, Hebebühnen, Transportkarren, Leitern, Kehrmaschinen, Pulliermaschinen, Verpackungsmaschinen, Förderbänder, mobile Kräne, Gabelstapler, Tischlereien, Metallschreinereien, Geflügelfarmen, Fleischfabriken, Container.

Besonders geeignet für die Luftfahrt-, Automobil-, Lebensmittelbranche, für Werkstätten und Industrieaktivitäten.

Sie werden in mechanischen Ingenieurprojekten von technischen Zeichnern und Projektingenieuren angewendet.

HU: sehr gute Stossdämpfung. Gut geeignet für unebene, gebrochene Böden mit Metallspäne, Ölflecken, Glassplitter, Fette, Kies. 

Bestandteile

Gehäuse

Lenkgehäuse für schwere Arbeiten. Aus Stahlblech gepresst bis 4 mm. Verzinkte Ausführung. Die solide Konstruktion des Lenkgehäuses bietet eine Kombination aus hoher Wirksamkeit, langer Nutzlebensdauer und einer hervorragenden Leistung. Hergestellt gemäß Europanorm EN 12532

Rad

Rollwiderstand Sehr Gut
Lärm während des Marsches Gut
Bodenschonend Sehr Gut

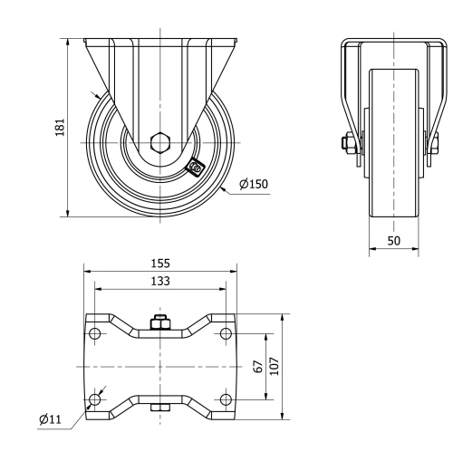
Technische Daten 4-0275

EAN:
8422202402758
Ausführung:
Bockrollen
Befestigungsarten:
Platte
Bremsentyp:
Ohne Bremse
Laufbelag:
Polyurethan
Härte der lauffläche:
95º SHORE A
Lagerarten:
Kugellager
Durchmesser (mm):
150
Radbreite (mm):
50
Plattenabmessungen (mm):
155x107
Schraublochentfernung (mm):
133x67
Schraublochdurchmesser (mm):
10
Gesamthöhe (mm):
181
Tragfähigkeit:
680
Einheit Gewicht des Rades (kg):
4,08
Volumen (cm3):
3002
Technische Daten 4-0275

Privater Bereich

Regístrate
Download in Format 3D
Download in Format 2D
DWG
PDF downloaden
PDF
Preis
--

Ähnliche Produkte

Kontakt

Kontaktieren Sie uns

Schicken Sie uns das folgende Formular und wir werden Sie kontaktieren, um Ihre Frage zu beantworten.

Kontaktinformationen:
E-Mail: info@alex.es
Telefon: (+34) 974 035 345
Öffnungszeiten:
Montag bis Freitag: 8-14h / 15-18h
Samstag und Sonntag: Geschlossen
Responsable: Ruedas Alex, S.L.U, siendo la Finalidad: gestionar el contacto entre cualquier interesado y nuestros servicios de atención. La Legitimación: es gracias a tu consentimiento. Destinatarios: no se comunicarán los datos personales a ningún tercero. Podrás efercer Tus Derechos de Acceso, Rectificación, Supresión, Limitación, Oposición y Portabilidad en rgpd@alex.es. Para más información consulte la Política de Privacidad.

Informieren Sie sich über alle Neuheiten, Angebote und Promotionen die wir für Sie vorbereitet haben.