Hersteller seit 1958
Ruedas Alex

SERIE 61-PO 4-0267

Siehe Vergleich
Code: 4-0267

Räder mit weissem Nylonkern und Reifen aus rotem gespriztem Polyurethan mit einer Härte von 90-95º shore A. Geeignet für Ladungen bis zu 450 kg.

Anwendung: Transportutensilien, Werkstatt, Aussenbereiche, interne Logistk, Werkzeugkarren, rohrförmige Karren, interne Logistik, Container für Abfallprodukte, Hebebühnen, Transportkarren, Leitern, Kehrmaschinen, Pulliermaschinen, Verpackungsmaschinen, Förderbänder, mobile Kräne, Gabelstapler, Tischlereien, Metallschreinereien, Geflügelfarmen, Fleisch- und Konservenfabriken.

Besonders geeignet für die Luftfahrt, Eisenbahn-, Automobil-, Lebensmittelbranche, Werkstätten und Industrieaktivitäten.

PO: elastischer und geräuschloser Lauf. Verkratzt die Böden nicht. Sehr verschleissresistent. Hohe Resistenz gegen Öle und Fette. Hinterlässt keine Spuren, formbeständig.

Bestandteile

Gehäuse

Lenkgehäuse für schwere Arbeiten. Aus Stahlblech gepresst bis 4 mm. Verzinkte Ausführung. Die solide Konstruktion des Lenkgehäuses bietet eine Kombination aus hoher Wirksamkeit, langer Nutzlebensdauer und einer hervorragenden Leistung. Hergestellt gemäß Europanorm EN 12532

Rad

Weißer Polyamid-Radkörper und Laufbelag aus rotem Polyurethan.95º Shore A
Temperaturbereich: -25º ÷ +80º
Rollwiderstand Sehr Gut
Lärm während des Marsches Sehr Gut
Bodenschonend Sehr Gut

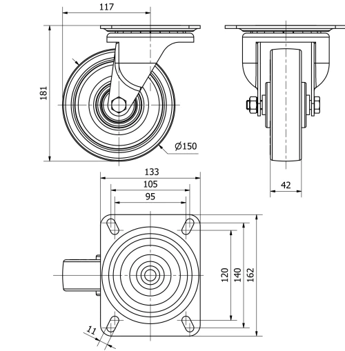
Technische Daten 4-0267

EAN:
8422202402673
Ausführung:
Lenkrollen
Befestigungsarten:
Platte
Bremsentyp:
Ohne Bremse
Laufbelag:
Polyurethan
Härte der lauffläche:
90-95º SHORE A
Lagerarten:
Kugellager
Durchmesser (mm):
150
Radbreite (mm):
42
Plattenabmessungen (mm):
162x133
Schraublochentfernung (mm):
140x105/120x95
Schraublochdurchmesser (mm):
10
Störkreisradius (mm):
117
Gesamthöhe (mm):
181
Tragfähigkeit:
450
Einheit Gewicht des Rades (kg):
2,525
Volumen (cm3):
4766
Technische Daten 4-0267

Privater Bereich

Regístrate
Download in Format 3D
Download in Format 2D
DWG
PDF downloaden
PDF
Preis
--

Ähnliche Produkte

Kontakt

Kontaktieren Sie uns

Schicken Sie uns das folgende Formular und wir werden Sie kontaktieren, um Ihre Frage zu beantworten.

Kontaktinformationen:
E-Mail: info@alex.es
Telefon: (+34) 974 035 345
Öffnungszeiten:
Montag bis Freitag: 8-14h / 15-18h
Samstag und Sonntag: Geschlossen
Responsable: Ruedas Alex, S.L.U, siendo la Finalidad: gestionar el contacto entre cualquier interesado y nuestros servicios de atención. La Legitimación: es gracias a tu consentimiento. Destinatarios: no se comunicarán los datos personales a ningún tercero. Podrás efercer Tus Derechos de Acceso, Rectificación, Supresión, Limitación, Oposición y Portabilidad en rgpd@alex.es. Para más información consulte la Política de Privacidad.

Informieren Sie sich über alle Neuheiten, Angebote und Promotionen die wir für Sie vorbereitet haben.