Hersteller seit 1958
Ruedas Alex

SERIE 61-TA 4-0281

Siehe Vergleich
Code: 4-0281

Stahlräder, geeignet für Ladungen bis zu 680 kg.

Anwendung: Transportutensilien, Werkstatt, Aussenbereiche, interne Logistik, Werkzeugkarren, rohrförmige Karren, interne Logistik, Transportutensilien, Hebebühnen, Leitern, Kehrmaschinen, Pulliermaschinen, Verpackungsmaschinen, Förderbänder, mobile Kräne, Gabelstapler, Tischlereien, Metallschreinereien, Geflügelfarmen, Fleischfabriken, Container.

Besonders geeignet für die Luftfahrt-, Eisenbahn- und Lebensmittelbranche, Werkstätten, Industrieaktivitäten.

Sie werden in mechanischen Ingenieurprojekten von technischen Zeichnern und Projektingenieuren angewendet.

TA: besonders geeignet für schlechte Bodenbedingungen wie schneidende Objekte, chemische Produkte oder extreme Temperaturen welche andere Arten von Rädern zerstören würden. Grosse Ladekapazität.

Bestandteile

Gehäuse

Lenkgehäuse für schwere Arbeiten.Aus Stahlblech gepresst bis 4 mm.Verzinkte Ausführung.Die solide Konstruktion des Lenkgehäuses bietet eine Kombination aus hoher Wirksamkeit, langer Nutzlebensdauer und einer hervorragenden Leistung.Hergestellt gemäß Europanorm EN 12532

Rad

Vollstahlrad
Temperaturbereich: -40º ÷ +300º
Rollwiderstand Hervorragender
Lärm während des Marsches Ausreichend
Bodenschonend Ausreichend

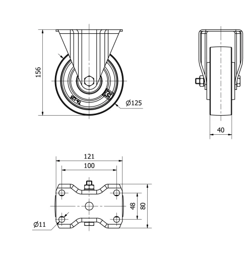
Technische Daten 4-0281

EAN:
8422202402819
Ausführung:
Bockrollen
Befestigungsarten:
Platte
Bremsentyp:
Ohne Bremse
Laufbelag:
Stahlrad
Lagerarten:
Kugellager
Durchmesser (mm):
125
Radbreite (mm):
45
Plattenabmessungen (mm):
121x80
Schraublochentfernung (mm):
100x48
Schraublochdurchmesser (mm):
10
Gesamthöhe (mm):
156
Tragfähigkeit:
475
Einheit Gewicht des Rades (kg):
2,92
Volumen (cm3):
1560
Technische Daten 4-0281

Privater Bereich

Regístrate
Download in Format 3D
Download in Format 2D
DWG
PDF downloaden
PDF
Preis
--

Ähnliche Produkte

Kontakt

Kontaktieren Sie uns

Schicken Sie uns das folgende Formular und wir werden Sie kontaktieren, um Ihre Frage zu beantworten.

Kontaktinformationen:
E-Mail: info@alex.es
Telefon: (+34) 974 035 345
Öffnungszeiten:
Montag bis Freitag: 8-14h / 15-18h
Samstag und Sonntag: Geschlossen
Responsable: Ruedas Alex, S.L.U, siendo la Finalidad: gestionar el contacto entre cualquier interesado y nuestros servicios de atención. La Legitimación: es gracias a tu consentimiento. Destinatarios: no se comunicarán los datos personales a ningún tercero. Podrás efercer Tus Derechos de Acceso, Rectificación, Supresión, Limitación, Oposición y Portabilidad en rgpd@alex.es. Para más información consulte la Política de Privacidad.

Informieren Sie sich über alle Neuheiten, Angebote und Promotionen die wir für Sie vorbereitet haben.