Hersteller seit 1958
Ruedas Alex

SERIE SLR-AUSB 2-4191

Siehe Vergleich
Code: 2-4191

Rollen aus Aluminiumkern und Reifen aus geschmolzenem weissen Polyurethan mit einer Härte von 88º shore A, besonders geeignet für schwere Lasten bis zu 650 kg.

Anwendungsbereiche: logistischer Transport, Aussenbereiche, interne Logistik, Gabelstapler, Hebebühnen, Logistik von Missionsmaterial, Schwermaschinerie, mobile Kräne, Wagen, industrielle Bereiche. Sie werden in mechanischen Ingenieurprojekten von technischen Zeichnern eingesetzt.

AUSB: Empfohlen für Geschwindigkeit (bis zu 16 KM/H). Sehr gute stossdämpfung. Gut geeignet für unebene, rauhe, gebrochene Böden, mit Metallspänen, Ölflecken, Glassplittern, Kieselsteinen.

Bestandteile

Gehäuse

Stahlschweiβkonstruktion bis 8 mm. Lenkrollen Gehäuse mit Kugellagerung und Kegelrollenlager im Drehkranz. Entwickelt für den Einsatz in der Werkinstandhaltung, der Metallindustrie sowie an mechanisch gezogenen Wagen. Weiβ verzinkt Hergestellt nach der Europäischen Norm EN 12532.

Rad

Rollwiderstand Gut
Lärm während des Marsches Sehr Gut
Bodenschonend Sehr Gut

Technische Daten 2-4191

EAN:
8422202241913
Ausführung:
Lenkrollen
Befestigungsarten:
Platte
Bremsentyp:
Ohne Bremse
Laufbelag:
Polyurethan
Lagerarten:
Kugellager
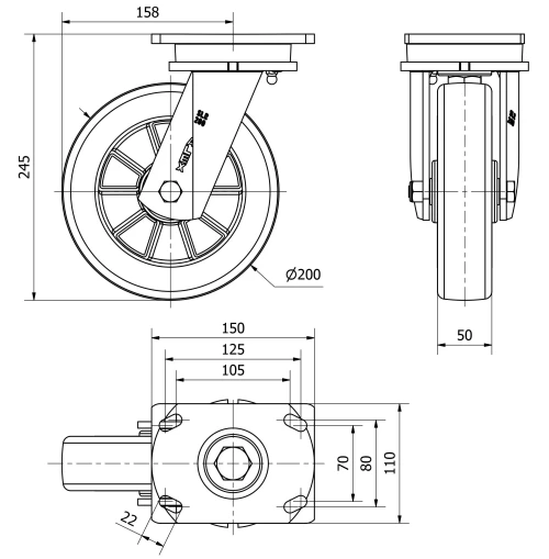
Durchmesser (mm):
200
Radbreite (mm):
50
Plattenabmessungen (mm):
150x110
Schraublochentfernung (mm):
125x70/105x80
Schraublochdurchmesser (mm):
10
Störkreisradius (mm):
158
Gesamthöhe (mm):
245
Tragfähigkeit:
750
:
AGV
Technische Daten 2-4191

Privater Bereich

Regístrate
Download in Format 3D
Download in Format 2D
DWG
PDF downloaden
PDF
Preis
--
Kontakt

Kontaktieren Sie uns

Schicken Sie uns das folgende Formular und wir werden Sie kontaktieren, um Ihre Frage zu beantworten.

Kontaktinformationen:
E-Mail: info@alex.es
Telefon: (+34) 974 035 345
Öffnungszeiten:
Montag bis Freitag: 8-14h / 15-18h
Samstag und Sonntag: Geschlossen
Responsable: Ruedas Alex, S.L.U, siendo la Finalidad: gestionar el contacto entre cualquier interesado y nuestros servicios de atención. La Legitimación: es gracias a tu consentimiento. Destinatarios: no se comunicarán los datos personales a ningún tercero. Podrás efercer Tus Derechos de Acceso, Rectificación, Supresión, Limitación, Oposición y Portabilidad en rgpd@alex.es. Para más información consulte la Política de Privacidad.

Informieren Sie sich über alle Neuheiten, Angebote und Promotionen die wir für Sie vorbereitet haben.