Hersteller seit 1958
Ruedas Alex

SERIE SLR-FT 2-3678

Siehe Vergleich
Code: 2-3678

Räder aus extrastarkem Nylon, geeignet für Ladungen bis zu 1000 kg.

Anwendung: Transportutensilien, Aussenbereiche, weisse Säale, interne Logistik, mobile Sitzreihen, Gabelstapler, Transportkarren, Logistik von Missionsmaterial, Schwermaschinerie der Bauindustrie, mobile Kräne, Sporthallen, Karosseriebauer, Petrochemie, besonders empfohlen für die Luftfahrt-, Eisenbahn- und Automobilindustrie.

FT: Besonders geeignet für die Industrie- und Lebensmittelbranche. Hinterlässt keine Spuren auf den Böden. Extra stark. Konservierungsfabriken.

Bestandteile

Gehäuse

Stahlschweiβkonstruktion bis 8 mm. Lenkrollen Gehäuse mit Kugellagerung und Kegelrollenlager im Drehkranz. Entwickelt für den Einsatz in der Werkinstandhaltung, der Metallindustrie sowie an mechanisch gezogenen Wagen. Weiβ verzinkt Hergestellt nach der Europäischen Norm EN 12532

Rad

Aus hochwertigem Polyamid 6, weiß
Temperaturbereich: -30º ÷ +80º
Rollwiderstand Hervorragender
Lärm während des Marsches Angemessen
Bodenschonend Angemessen

Technische Daten 2-3678

EAN:
8422202236780
Ausführung:
Lenkrollen
Befestigungsarten:
Platte
Bremsentyp:
Totalfeststeller
Laufbelag:
Polyamid 6
Niedrige Temperaturen (ºC):
-30
Maximaltemperaturen (ºC):
80
Lagerarten:
Kugellager
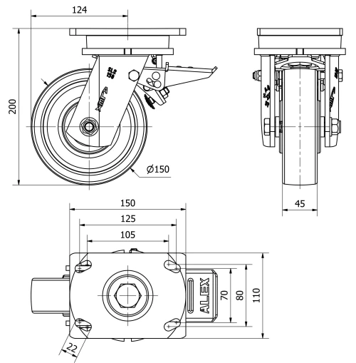
Durchmesser (mm):
150
Radbreite (mm):
45
Plattenabmessungen (mm):
150x110
Schraublochentfernung (mm):
125x70/105x80
Schraublochdurchmesser (mm):
10
Störkreisradius (mm):
124
Gesamthöhe (mm):
200
Tragfähigkeit:
900
Einheit Gewicht des Rades (kg):
3,305
Volumen (cm3):
5104
Technische Daten 2-3678

Privater Bereich

Regístrate
Download in Format 3D
Download in Format 2D
DWG
PDF downloaden
PDF
Preis
--

Ähnliche Produkte

Kontakt

Kontaktieren Sie uns

Schicken Sie uns das folgende Formular und wir werden Sie kontaktieren, um Ihre Frage zu beantworten.

Kontaktinformationen:
E-Mail: info@alex.es
Telefon: (+34) 974 035 345
Öffnungszeiten:
Montag bis Freitag: 8-14h / 15-18h
Samstag und Sonntag: Geschlossen
Responsable: Ruedas Alex, S.L.U, siendo la Finalidad: gestionar el contacto entre cualquier interesado y nuestros servicios de atención. La Legitimación: es gracias a tu consentimiento. Destinatarios: no se comunicarán los datos personales a ningún tercero. Podrás efercer Tus Derechos de Acceso, Rectificación, Supresión, Limitación, Oposición y Portabilidad en rgpd@alex.es. Para más información consulte la Política de Privacidad.

Informieren Sie sich über alle Neuheiten, Angebote und Promotionen die wir für Sie vorbereitet haben.