Hersteller seit 1958
Ruedas Alex

SERIE SLR-HG 2-3643

Siehe Vergleich
Code: 2-3643

Räder mit Stahlkern und Reifen aus schwarzem natürlichem Gummi, geeignet für Ladungen bis zu 600 kg.

Anwendung: Werkstätten, Aussenbereiche, Karosseriebauer, mobile Sitzreihen, interne Logistik, Gabelstapler, Transportkarren, Logistik von Missionsmaterial, Schwermaschinerie der Bauindustrie, mobile Kräne. Besonders empfohlen für die Industrie-, Luftfahrt-, Eisenbahn- und Automobilbranche.

Sie werden in mechanischen Ingenieurprojekten von technischen Zeichnern und Projektingenieuren angewendet.

HG: geeignet für manuellen und mechanischen Antrieb (Gabelstapler, Anhänger, usw.). Für die Industrie im allgemeinen. Schützt die Böden.

Bestandteile

Gehäuse

Stahlschweiβkonstruktion bis 8 mm. Lenkrollen Gehäuse mit Kugellagerung und Kegelrollenlager im Drehkranz. Entwickelt für den Einsatz in der Werkinstandhaltung, der Metallindustrie sowie an mechanisch gezogenen Wagen. Weiβ verzinkt Hergestellt nach der Europäischen Norm EN 12532

Rad

Stahl-Radkörper und Gummi-Laufbelag, mit Langzeitfett geschmiert
Temperaturbereich: -20º ÷ +60º
Rollwiderstand Angemessen
Lärm während des Marsches Hervorragender
Bodenschonend Hervorragender

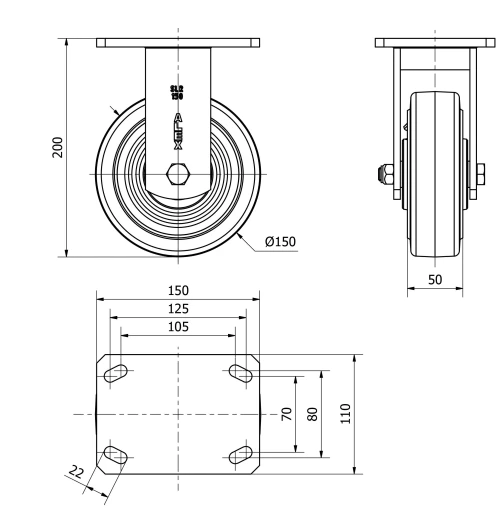
Technische Daten 2-3643

EAN:
8422202236438
Ausführung:
Bockrollen
Befestigungsarten:
Platte
Bremsentyp:
Ohne Bremse
Laufbelag:
Gummi
Lagerarten:
Kugellager
Durchmesser (mm):
150
Radbreite (mm):
50
Plattenabmessungen (mm):
150x110
Schraublochentfernung (mm):
125x70/105x80
Schraublochdurchmesser (mm):
10
Gesamthöhe (mm):
200
Tragfähigkeit:
400
Einheit Gewicht des Rades (kg):
4,68
Volumen (cm3):
3300
Technische Daten 2-3643

Privater Bereich

Regístrate
Download in Format 3D
Download in Format 2D
DWG
PDF downloaden
PDF
Preis
--

Ähnliche Produkte

Kontakt

Kontaktieren Sie uns

Schicken Sie uns das folgende Formular und wir werden Sie kontaktieren, um Ihre Frage zu beantworten.

Kontaktinformationen:
E-Mail: info@alex.es
Telefon: (+34) 974 035 345
Öffnungszeiten:
Montag bis Freitag: 8-14h / 15-18h
Samstag und Sonntag: Geschlossen
Responsable: Ruedas Alex, S.L.U, siendo la Finalidad: gestionar el contacto entre cualquier interesado y nuestros servicios de atención. La Legitimación: es gracias a tu consentimiento. Destinatarios: no se comunicarán los datos personales a ningún tercero. Podrás efercer Tus Derechos de Acceso, Rectificación, Supresión, Limitación, Oposición y Portabilidad en rgpd@alex.es. Para más información consulte la Política de Privacidad.

Informieren Sie sich über alle Neuheiten, Angebote und Promotionen die wir für Sie vorbereitet haben.