Hersteller seit 1958
Ruedas Alex

SERIE SLR-TA 2-3700

Siehe Vergleich
Code: 2-3700

Räder aus Stahl, geeignet für Ladungen bis zu 1000 kg.

Sie werden in Öfen angewendet die hohe Temperaturen ausshalten (-40º bis +300º). Schwermaschinerie der Bauindustrie.

Besonders empfohlen für die Industrie-, Eisenbahn- und Automobilindustrie.

TA: geeignet für schwere Arbeitsbedingungen welche andere Arten von Rädern zerstören würden (Böden mit schneidenden Gegenstände, chemischen Produkten, extreme Temperaturen). Hohe Ladekapazität.

Bestandteile

Gehäuse

Stahlschweiβkonstruktion bis 8 mm. Lenkrollen Gehäuse mit Kugellagerung und Kegelrollenlager im Drehkranz. Entwickelt für den Einsatz in der Werkinstandhaltung, der Metallindustrie sowie an mechanisch gezogenen Wagen. Weiβ verzinkt Hergestellt nach der Europäischen Norm EN 12532

Rad

Vollstahlrad
Temperaturbereich: -40º ÷ +300º
Rollwiderstand Hervorragender
Lärm während des Marsches Ausreichend
Bodenschonend Ausreichend

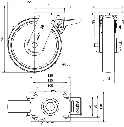
Technische Daten 2-3700

EAN:
8422202237008
Ausführung:
Lenkrollen
Befestigungsarten:
Platte
Bremsentyp:
Totalfeststeller
Laufbelag:
Stahlrad
Lagerarten:
Gleitlager
Durchmesser (mm):
200
Radbreite (mm):
45
Plattenabmessungen (mm):
150x110
Schraublochentfernung (mm):
125x70/105x80
Schraublochdurchmesser (mm):
10
Störkreisradius (mm):
158
Gesamthöhe (mm):
245
Tragfähigkeit:
1000
Einheit Gewicht des Rades (kg):
7,3
Volumen (cm3):
7169
Technische Daten 2-3700

Privater Bereich

Regístrate
Download in Format 3D
Download in Format 2D
DWG
PDF downloaden
PDF
Preis
--

Ähnliche Produkte

Kontakt

Kontaktieren Sie uns

Schicken Sie uns das folgende Formular und wir werden Sie kontaktieren, um Ihre Frage zu beantworten.

Kontaktinformationen:
E-Mail: info@alex.es
Telefon: (+34) 974 035 345
Öffnungszeiten:
Montag bis Freitag: 8-14h / 15-18h
Samstag und Sonntag: Geschlossen
Responsable: Ruedas Alex, S.L.U, siendo la Finalidad: gestionar el contacto entre cualquier interesado y nuestros servicios de atención. La Legitimación: es gracias a tu consentimiento. Destinatarios: no se comunicarán los datos personales a ningún tercero. Podrás efercer Tus Derechos de Acceso, Rectificación, Supresión, Limitación, Oposición y Portabilidad en rgpd@alex.es. Para más información consulte la Política de Privacidad.

Informieren Sie sich über alle Neuheiten, Angebote und Promotionen die wir für Sie vorbereitet haben.