Hersteller seit 1958
Ruedas Alex

SERIE TVC-PO 2-3712

Siehe Vergleich
Code: 2-3712

Räder mit weissem Nylonkern und Reifen aus rotem Polyurethan mit einer Härte von 90-95º shore A. Geeignet für Ladungen bis zu 280 kg.

Anwendung: Transportutensilien, Aussenbereiche, Werkzeugkarren, interne Logistik, rohrförmige Karren, Reifenfabriken, mobile Sitzreihen, Gabelstapler, Lebensmittelfabriken, Transportkarren, Werkstätten, Verpackungsmaschinen, Förderbänder.

Sie werden in mechanischen Ingenieurprojekten von technischen Zeichnern und Projektingenieuren eingesetzt.

PO: geräuschlos. Schützt die Böden. Sehr verschleissresistent. Resistent gegenüber Ölen, Fetten und Splittern.

Bestandteile

Gehäuse

Sehr robuste Stahlschweißkonstruktion grepresst. Verzinkte Ausführung mit großer Rostbeständigkeit. Doppeltes Kugellager am Drehkranz. Hergestellt gemäß Europanorm EN 12532.

Rad

Weißer Polyamid-Radkörper und Laufbelag aus rotem Polyurethan.95º Shore A
Temperaturbereich: -25º ÷ +80º
Rollwiderstand Sehr Gut
Lärm während des Marsches Sehr Gut
Bodenschonend Sehr Gut

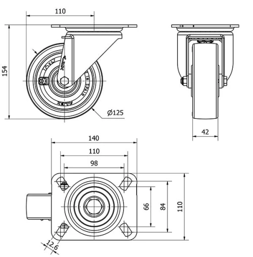
Technische Daten 2-3712

EAN:
8422202237121
Ausführung:
Lenkrollen
Befestigungsarten:
Platte
Bremsentyp:
Ohne Bremse
Laufbelag:
Polyurethan
Niedrige Temperaturen (ºC):
-25
Maximaltemperaturen (ºC):
60
Lagerarten:
Kugellager
Durchmesser (mm):
125
Radbreite (mm):
42
Plattenabmessungen (mm):
139x110
Schraublochentfernung (mm):
105x80
Schraublochdurchmesser (mm):
10
Störkreisradius (mm):
110
Gesamthöhe (mm):
154
Tragfähigkeit:
300
Einheit Gewicht des Rades (kg):
1,56
Volumen (cm3):
3041
Technische Daten 2-3712

Privater Bereich

Regístrate
Download in Format 3D
Download in Format 2D
DWG
PDF downloaden
PDF
Preis
--

Ähnliche Produkte

Kontakt

Kontaktieren Sie uns

Schicken Sie uns das folgende Formular und wir werden Sie kontaktieren, um Ihre Frage zu beantworten.

Kontaktinformationen:
E-Mail: info@alex.es
Telefon: (+34) 974 035 345
Öffnungszeiten:
Montag bis Freitag: 8-14h / 15-18h
Samstag und Sonntag: Geschlossen
Responsable: Ruedas Alex, S.L.U, siendo la Finalidad: gestionar el contacto entre cualquier interesado y nuestros servicios de atención. La Legitimación: es gracias a tu consentimiento. Destinatarios: no se comunicarán los datos personales a ningún tercero. Podrás efercer Tus Derechos de Acceso, Rectificación, Supresión, Limitación, Oposición y Portabilidad en rgpd@alex.es. Para más información consulte la Política de Privacidad.

Informieren Sie sich über alle Neuheiten, Angebote und Promotionen die wir für Sie vorbereitet haben.