Hersteller seit 1958
Ruedas Alex

SERIE HLG-FT 2-3836

Siehe Vergleich
Code: 2-3836

Doppelte Rollen aus extra starkem Nylon, besonders geeignet für schwere Ladungen bis zu 2.500 kg.

Sie werden eingesetzt bei Werkzeugen des logistischen Transports, Kränen für schweres Material, Hebebühnen, mobilen Sitzreihen, hauptsächlich angewendet in der Luftfahrt-, Eisenbahn- und Automobilbranche.

FT: diese Rollen werden speziell für die Lebensmittel- und Chemieindustrie empfohlen. Sie hinterlassen keine Spuren. Extrastark und sehr stossresistent.

Bestandteile

Gehäuse

Stahlschweißkonstruktion bis 8 mm. Ausführung schwarz lackiert. Lenkrollen Gehäuse mit Kugellagerung und Kegelrollenlager im Drehkranz, der obere mit in gehärteten Präzisionsführungen laufenden Stahlkugeln Die eine lange Haltbarkeit gewährleisten und der untere mit Kegelrollenlager ermöglicht Dreh-, Radialund Axialkräfte. Schmiervorrichtung am Drehkranz und Rad. Hergestellt gemäß EN 12532/12533.

Rad

Aus hochwertigem Polyamid 6, weiß
Temperaturbereich: -30º ÷ +80º
Rollwiderstand Hervorragender
Lärm während des Marsches Angemessen
Bodenschonend Angemessen

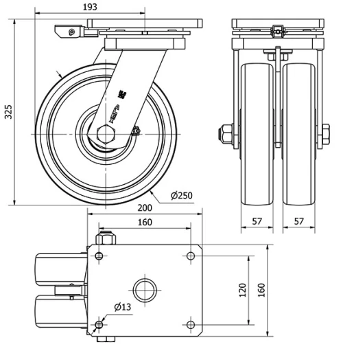
Technische Daten 2-3836

EAN:
8422202238364
Ausführung:
Lenkrollen
Befestigungsarten:
Platte
Bremsentyp:
Richtungsfeststeller
Laufbelag:
Polyamid 6
Lagerarten:
Kugellager
Durchmesser (mm):
250
Radbreite (mm):
57x2
Plattenabmessungen (mm):
200x160
Schraublochentfernung (mm):
160x120
Schraublochdurchmesser (mm):
12
Störkreisradius (mm):
193
Gesamthöhe (mm):
325
Tragfähigkeit:
2600
Einheit Gewicht des Rades (kg):
14,165
Volumen (cm3):
15236
Technische Daten 2-3836

Privater Bereich

Regístrate
Download in Format 3D
Download in Format 2D
DWG
PDF downloaden
PDF
Preis
--

Ähnliche Produkte

Kontakt

Kontaktieren Sie uns

Schicken Sie uns das folgende Formular und wir werden Sie kontaktieren, um Ihre Frage zu beantworten.

Kontaktinformationen:
E-Mail: info@alex.es
Telefon: (+34) 974 035 345
Öffnungszeiten:
Montag bis Freitag: 8-14h / 15-18h
Samstag und Sonntag: Geschlossen
Responsable: Ruedas Alex, S.L.U, siendo la Finalidad: gestionar el contacto entre cualquier interesado y nuestros servicios de atención. La Legitimación: es gracias a tu consentimiento. Destinatarios: no se comunicarán los datos personales a ningún tercero. Podrás efercer Tus Derechos de Acceso, Rectificación, Supresión, Limitación, Oposición y Portabilidad en rgpd@alex.es. Para más información consulte la Política de Privacidad.

Informieren Sie sich über alle Neuheiten, Angebote und Promotionen die wir für Sie vorbereitet haben.