Hersteller seit 1958
Ruedas Alex

SERIE HLG-HG 2-3825

Siehe Vergleich
Code: 2-3825

Doppelte Rollen mit Stahlkern und schwarzem Gummreifen. Sie werden für schweres Gewicht empfohlen und können bis zu 1.400 kg tragen.

Sie werden eingesetzt bei Werkzeugen des logistischen Transports, mobilen Sitzreihen, bei Kränen die schweres Material tragen und bei Hebebühnen. Sie werden besonders für die Luftfahrtbranche, Eisenbahnbranche und Automobilindustrie empfohlen.

HG: geeignet für Kraftfahrzeuge. Höchster Schutz der Böden. Sanftes und leises Abrollen (Hebekarren, Anhänger, usw.) Für die Industrie im Allgemeinen.

Bestandteile

Gehäuse

Stahlschweißkonstruktion bis 8 mm. Ausführung schwarz lackiert. Lenkrollen Gehäuse mit Kugellagerung und Kegelrollenlager im Drehkranz, der obere mit in gehärteten Präzisionsführungen laufenden Stahlkugeln Die eine lange Haltbarkeit gewährleisten und der untere mit Kegelrollenlager ermöglicht Dreh-, Radialund Axialkräfte. Schmiervorrichtung am Drehkranz und Rad. Hergestellt gemäß EN 12532/12533.

Rad

Stahl-Radkörper und Gummi-Laufbelag, mit Langzeitfett geschmiert
Temperaturbereich: -20º ÷ +60º
Rollwiderstand Angemessen
Lärm während des Marsches Hervorragender
Bodenschonend Hervorragender

Technische Daten 2-3825

EAN:
8422202238258
Ausführung:
Lenkrollen
Befestigungsarten:
Platte
Bremsentyp:
Richtungsfeststeller
Laufbelag:
Gummi
Niedrige Temperaturen (ºC):
-20
Maximaltemperaturen (ºC):
60
Lagerarten:
Kugellager
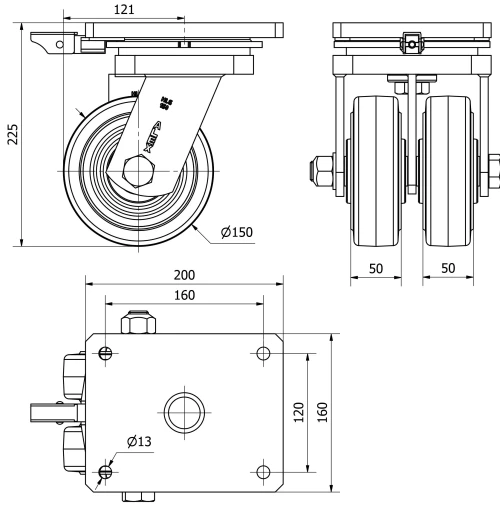
Durchmesser (mm):
150
Radbreite (mm):
50x2
Plattenabmessungen (mm):
200x160
Schraublochentfernung (mm):
160x120
Schraublochdurchmesser (mm):
12
Störkreisradius (mm):
121
Gesamthöhe (mm):
225
Tragfähigkeit:
800
Einheit Gewicht des Rades (kg):
15,378
Volumen (cm3):
7956
Technische Daten 2-3825

Privater Bereich

Regístrate
Download in Format 3D
Download in Format 2D
DWG
PDF downloaden
PDF
Preis
--

Ähnliche Produkte

Kontakt

Kontaktieren Sie uns

Schicken Sie uns das folgende Formular und wir werden Sie kontaktieren, um Ihre Frage zu beantworten.

Kontaktinformationen:
E-Mail: info@alex.es
Telefon: (+34) 974 035 345
Öffnungszeiten:
Montag bis Freitag: 8-14h / 15-18h
Samstag und Sonntag: Geschlossen
Responsable: Ruedas Alex, S.L.U, siendo la Finalidad: gestionar el contacto entre cualquier interesado y nuestros servicios de atención. La Legitimación: es gracias a tu consentimiento. Destinatarios: no se comunicarán los datos personales a ningún tercero. Podrás efercer Tus Derechos de Acceso, Rectificación, Supresión, Limitación, Oposición y Portabilidad en rgpd@alex.es. Para más información consulte la Política de Privacidad.

Informieren Sie sich über alle Neuheiten, Angebote und Promotionen die wir für Sie vorbereitet haben.