Hersteller seit 1958
Ruedas Alex

SERIE HLG-HU 2-1868

Siehe Vergleich
Code: 2-1868

Doppelte Rollen mit Stahlkern und Reifen aus geschmolzenem Polyurethan 95º, besonders empfohlen für schwere Ladungen bis zu 2.500 kg.

Sie werden angewendet bei Werkzeugen des logistischen Transports, Kränen die schwere Gewichte tragen, sowie bei Hebebühnen. Speziell in der Luftfahrt-, Eisenbahn- und Automobilbranche.

HU: Rollen mit sehr starker Stossdämpfung. Sie schützen die Böden und sind sehr resistent gegen Abrieb und Verschleiss. Sie werden für raue, unebene Böden empfohlen, mit Stahlspäne, Ölflecken, Glassplitter, Öle, Kies.

Bestandteile

Gehäuse

Stahlschweißkonstruktion bis 8 mm. Ausführung schwarz lackiert. Lenkrollen Gehäuse mit Kugellagerung und Kegelrollenlager im Drehkranz, der obere mit in gehärteten Präzisionsführungen laufenden Stahlkugeln Die eine lange Haltbarkeit gewährleisten und der untere mit Kegelrollenlager ermöglicht Dreh-, Radialund Axialkräfte. Schmiervorrichtung am Drehkranz und Rad. Hergestellt gemäß EN 12532/12533.

Rad

Rollwiderstand Sehr Gut
Lärm während des Marsches Gut
Bodenschonend Sehr Gut

Technische Daten 2-1868

EAN:
8422202218687
Ausführung:
Bockrollen
Befestigungsarten:
Platte
Bremsentyp:
Ohne Bremse
Laufbelag:
Polyurethan
Niedrige Temperaturen (ºC):
-20
Maximaltemperaturen (ºC):
80
Härte der lauffläche:
95º SHORE A
Lagerarten:
Kugellager
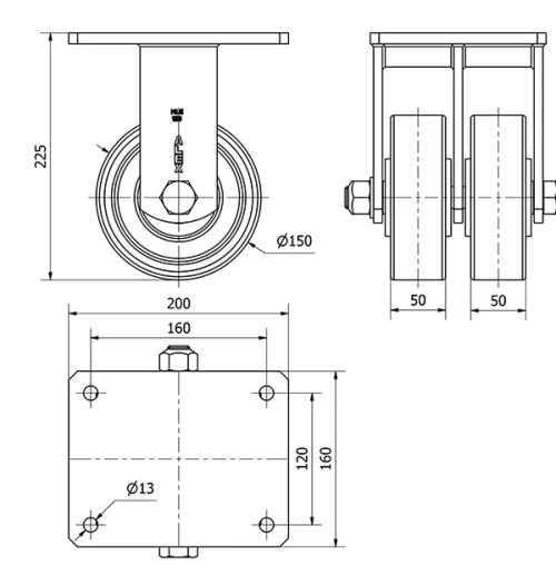
Durchmesser (mm):
150
Radbreite (mm):
50x2
Plattenabmessungen (mm):
200x160
Schraublochentfernung (mm):
160x120
Schraublochdurchmesser (mm):
12
Gesamthöhe (mm):
225
Tragfähigkeit:
1600
Einheit Gewicht des Rades (kg):
10,45
Volumen (cm3):
7200
Technische Daten 2-1868

Privater Bereich

Regístrate
Download in Format 3D
Download in Format 2D
DWG
PDF downloaden
PDF
Preis
--

Ähnliche Produkte

Kontakt

Kontaktieren Sie uns

Schicken Sie uns das folgende Formular und wir werden Sie kontaktieren, um Ihre Frage zu beantworten.

Kontaktinformationen:
E-Mail: info@alex.es
Telefon: (+34) 974 035 345
Öffnungszeiten:
Montag bis Freitag: 8-14h / 15-18h
Samstag und Sonntag: Geschlossen
Responsable: Ruedas Alex, S.L.U, siendo la Finalidad: gestionar el contacto entre cualquier interesado y nuestros servicios de atención. La Legitimación: es gracias a tu consentimiento. Destinatarios: no se comunicarán los datos personales a ningún tercero. Podrás efercer Tus Derechos de Acceso, Rectificación, Supresión, Limitación, Oposición y Portabilidad en rgpd@alex.es. Para más información consulte la Política de Privacidad.

Informieren Sie sich über alle Neuheiten, Angebote und Promotionen die wir für Sie vorbereitet haben.