Hersteller seit 1958
Ruedas Alex

SERIE HLS-HU 2-3192

Siehe Vergleich
Code: 2-3192

Rollen mit Stahlkern und Reifen aus geschmolzenem Polyurethan mit eine Härte von 95º shore A. Besonders geeignet für schwere Ladungen bis zu 1.250 kg. Mit elastischer Federung dank einer sehr widerstandsfähigen Federrückführung, ideal für unebene Böden. Gute Stossdämpfung.

Anwendung: Werkzeuge des logistischen Transports, Aussenbereiche, interne Logistik, mobile Kräne, mobile Sitzreihen, Hebebühnen, Transportkarren, Logistik von Missionsmaterial, Schwermaschinerie der Bauindustrie. Besonders geeignet für die Luftfahrt-, Eisenbahn- und Automobilbranche.

HU: sehr grosse Stossdämpfung. Sehr geeignet für unebene, gebrochene Böden mit Metallspäne, Ölflecken, Glassplitter, Öle, Kies.

Bestandteile

Gehäuse

Stahlschwei?konstruktion bis 12 mm, schwarz lackiert Gefedertes Gehäuse mit starker, sehr beständiger Feder Gutes Federverhalten bis 24,5 mm für 700 kg Tragfähigkeit   Hergestellt gemäß EN 12532/12533.

Rad

Rollwiderstand Sehr Gut
Lärm während des Marsches Gut
Bodenschonend Sehr Gut

Technische Daten 2-3192

EAN:
8422202231921
Ausführung:
Bockrollen
Befestigungsarten:
Platte
Bremsentyp:
Ohne Bremse
Laufbelag:
Polyurethan
Härte der lauffläche:
95º SHORE A
Lagerarten:
Kugellager
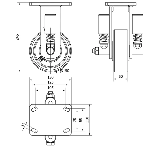
Durchmesser (mm):
150
Radbreite (mm):
50
Plattenabmessungen (mm):
150x110
Schraublochentfernung (mm):
105x80
Schraublochdurchmesser (mm):
10
Gesamthöhe (mm):
246
Tragfähigkeit:
800
Einheit Gewicht des Rades (kg):
8
Volumen (cm3):
4059
Technische Daten 2-3192

Privater Bereich

Regístrate
Download in Format 3D
Download in Format 2D
DWG
PDF downloaden
PDF
Preis
--

Ähnliche Produkte

Kontakt

Kontaktieren Sie uns

Schicken Sie uns das folgende Formular und wir werden Sie kontaktieren, um Ihre Frage zu beantworten.

Kontaktinformationen:
E-Mail: info@alex.es
Telefon: (+34) 974 035 345
Öffnungszeiten:
Montag bis Freitag: 8-14h / 15-18h
Samstag und Sonntag: Geschlossen
Responsable: Ruedas Alex, S.L.U, siendo la Finalidad: gestionar el contacto entre cualquier interesado y nuestros servicios de atención. La Legitimación: es gracias a tu consentimiento. Destinatarios: no se comunicarán los datos personales a ningún tercero. Podrás efercer Tus Derechos de Acceso, Rectificación, Supresión, Limitación, Oposición y Portabilidad en rgpd@alex.es. Para más información consulte la Política de Privacidad.

Informieren Sie sich über alle Neuheiten, Angebote und Promotionen die wir für Sie vorbereitet haben.