Hersteller seit 1958
Ruedas Alex

SERIE GT-TA 4-0379

Siehe Vergleich
Code: 4-0379

Rollen aus Stahl, geeignet für schwere Ladungen bis zu 1.270 kg.

Anwendung: Werkzeuge des logistischen Transports, Öfen die hohen Temperaturen ausgesetzt sind (-40º bis +300º), Schwermaschinerie der Bauindustrie.

Besonders geeignet für die Eisenbahn- und Automobilbranche.

TA: geeignet für schwere Arbeitsbedingungen, die andere Arten von Rädern zerstören würden, wie z. Bsp. schneidende Gegenstände auf den Böden, chemische Produkte oder sehr hohe Temperaturen. Grosse Ladekapazität.

Bestandteile

Gehäuse

Stahlschweißkonstruktion bis 8 mm ohne MittelbolzenAusführung schwarz lackiert.Drehkranz mit äußerst harten Stahlkugeln, geeignet für Anwendungen mit großen Radial- und Seitenkräften.Schmiervorrichtung am Drehkranz und Rad.Hergestellt gemäß EN 12532/12533.

Rad

Vollstahlrad
Temperaturbereich: -40º ÷ +300º
Rollwiderstand Hervorragender
Lärm während des Marsches Ausreichend
Bodenschonend Ausreichend

Technische Daten 4-0379

EAN:
8422202403793
Ausführung:
Bockrollen
Befestigungsarten:
Platte
Bremsentyp:
Ohne Bremse
Laufbelag:
Stahlrad
Niedrige Temperaturen (ºC):
-90
Maximaltemperaturen (ºC):
600
Lagerarten:
Kugellager
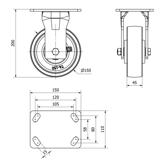
Durchmesser (mm):
150
Radbreite (mm):
45
Plattenabmessungen (mm):
150x110
Schraublochentfernung (mm):
105x80
Schraublochdurchmesser (mm):
12
Gesamthöhe (mm):
200
Tragfähigkeit:
1090
Einheit Gewicht des Rades (kg):
5,265
Volumen (cm3):
3300
Technische Daten 4-0379

Privater Bereich

Regístrate
Download in Format 3D
Download in Format 2D
DWG
PDF downloaden
PDF
Preis
--

Ähnliche Produkte

Kontakt

Kontaktieren Sie uns

Schicken Sie uns das folgende Formular und wir werden Sie kontaktieren, um Ihre Frage zu beantworten.

Kontaktinformationen:
E-Mail: info@alex.es
Telefon: (+34) 974 035 345
Öffnungszeiten:
Montag bis Freitag: 8-14h / 15-18h
Samstag und Sonntag: Geschlossen
Responsable: Ruedas Alex, S.L.U, siendo la Finalidad: gestionar el contacto entre cualquier interesado y nuestros servicios de atención. La Legitimación: es gracias a tu consentimiento. Destinatarios: no se comunicarán los datos personales a ningún tercero. Podrás efercer Tus Derechos de Acceso, Rectificación, Supresión, Limitación, Oposición y Portabilidad en rgpd@alex.es. Para más información consulte la Política de Privacidad.

Informieren Sie sich über alle Neuheiten, Angebote und Promotionen die wir für Sie vorbereitet haben.