Hersteller seit 1958
Ruedas Alex

SERIE HLG-TA 2-1883

Siehe Vergleich
Code: 2-1883

Doppelte Rollen aus Stahl, besonders geeignet für schwere Ladungen bis zu 2.700 kg.

Sie werden eingesetzt bei Werkzeugen des logistischen Transports, Wagen der Bergbauindustrie, Öfen die hohe Temperaturen aushalten (-40º bis + 300º), Kränen die schweres Material tragen, Hebebühnen. Sie werden speziell eingesetzt in der Luftfahrt- und Bauindustrie, öffentliche Versorgungsbetriebe, Eisenbahn- und Automobilbranche.

TA: sie werden bei Arbeiten eingesetzt die andere Rollenarten zerstören würden, wie z. Bsp. Böden mit scharfen, schneidenden Objekten, chemischen Produkten oder sehr hohe Temperaturen. Hohe Ladekapazität.

Bestandteile

Gehäuse

Stahlschweißkonstruktion bis 8 mm.Ausführung schwarz lackiert.Lenkrollen Gehäuse mit Kugellagerung und Kegelrollenlager im Drehkranz, der obere mit in gehärteten Präzisionsführungen laufenden StahlkugelnDie eine lange Haltbarkeit gewährleistenund der untere mit Kegelrollenlager ermöglicht Dreh-, Radialund Axialkräfte.Schmiervorrichtung am Drehkranz und Rad.Hergestellt gemäß EN 12532/12533.

Rad

Vollstahlrad
Temperaturbereich: -40º ÷ +300º
Rollwiderstand Hervorragender
Lärm während des Marsches Ausreichend
Bodenschonend Ausreichend

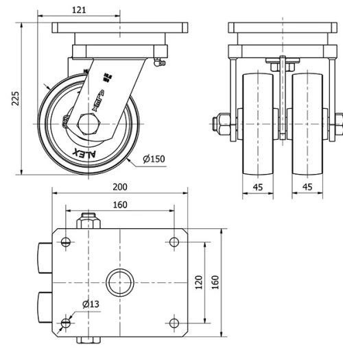
Technische Daten 2-1883

EAN:
8422202218830
Ausführung:
Lenkrollen
Befestigungsarten:
Platte
Bremsentyp:
Ohne Bremse
Laufbelag:
Stahlrad
Niedrige Temperaturen (ºC):
-90
Maximaltemperaturen (ºC):
600
Lagerarten:
Gleitlager
Durchmesser (mm):
150
Radbreite (mm):
45x2
Plattenabmessungen (mm):
200x160
Schraublochentfernung (mm):
160x120
Schraublochdurchmesser (mm):
12
Störkreisradius (mm):
121
Gesamthöhe (mm):
225
Tragfähigkeit:
2000
Einheit Gewicht des Rades (kg):
13,5
Volumen (cm3):
7956
Technische Daten 2-1883

Privater Bereich

Regístrate
Download in Format 3D
Download in Format 2D
DWG
PDF downloaden
PDF
Preis
--

Ähnliche Produkte

Kontakt

Kontaktieren Sie uns

Schicken Sie uns das folgende Formular und wir werden Sie kontaktieren, um Ihre Frage zu beantworten.

Kontaktinformationen:
E-Mail: info@alex.es
Telefon: (+34) 974 035 345
Öffnungszeiten:
Montag bis Freitag: 8-14h / 15-18h
Samstag und Sonntag: Geschlossen
Responsable: Ruedas Alex, S.L.U, siendo la Finalidad: gestionar el contacto entre cualquier interesado y nuestros servicios de atención. La Legitimación: es gracias a tu consentimiento. Destinatarios: no se comunicarán los datos personales a ningún tercero. Podrás efercer Tus Derechos de Acceso, Rectificación, Supresión, Limitación, Oposición y Portabilidad en rgpd@alex.es. Para más información consulte la Política de Privacidad.

Informieren Sie sich über alle Neuheiten, Angebote und Promotionen die wir für Sie vorbereitet haben.