Hersteller seit 1958
Ruedas Alex

SERIE HLG-TA 2-3824

Siehe Vergleich
Code: 2-3824

Doppelte Rollen aus Stahl, besonders geeignet für schwere Ladungen bis zu 2.700 kg.

Sie werden eingesetzt bei Werkzeugen des logistischen Transports, Wagen der Bergbauindustrie, Öfen die hohe Temperaturen aushalten (-40º bis + 300º), Kränen die schweres Material tragen, Hebebühnen. Sie werden speziell eingesetzt in der Luftfahrt- und Bauindustrie, öffentliche Versorgungsbetriebe, Eisenbahn- und Automobilbranche.

TA: sie werden bei Arbeiten eingesetzt die andere Rollenarten zerstören würden, wie z. Bsp. Böden mit scharfen, schneidenden Objekten, chemischen Produkten oder sehr hohe Temperaturen. Hohe Ladekapazität.

Bestandteile

Gehäuse

Stahlschweißkonstruktion bis 8 mm. Ausführung schwarz lackiert. Lenkrollen Gehäuse mit Kugellagerung und Kegelrollenlager im Drehkranz, der obere mit in gehärteten Präzisionsführungen laufenden Stahlkugeln Die eine lange Haltbarkeit gewährleisten und der untere mit Kegelrollenlager ermöglicht Dreh-, Radialund Axialkräfte. Schmiervorrichtung am Drehkranz und Rad. Hergestellt gemäß EN 12532/12533.

Rad

Vollstahlrad
Temperaturbereich: -40º ÷ +300º
Rollwiderstand Hervorragender
Lärm während des Marsches Ausreichend
Bodenschonend Ausreichend

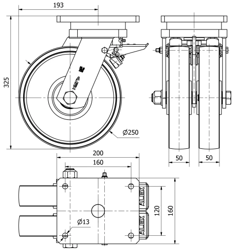
Technische Daten 2-3824

EAN:
8422202238241
Ausführung:
Lenkrollen
Befestigungsarten:
Platte
Bremsentyp:
Totalfeststeller
Laufbelag:
Stahlrad
Niedrige Temperaturen (ºC):
-90
Maximaltemperaturen (ºC):
600
Lagerarten:
Kugellager
Durchmesser (mm):
250
Radbreite (mm):
50x2
Plattenabmessungen (mm):
200x160
Schraublochentfernung (mm):
160x120
Schraublochdurchmesser (mm):
12
Störkreisradius (mm):
193
Gesamthöhe (mm):
325
Tragfähigkeit:
2600
Einheit Gewicht des Rades (kg):
21,434
Volumen (cm3):
15236
Technische Daten 2-3824

Privater Bereich

Regístrate
Download in Format 3D
Download in Format 2D
DWG
PDF downloaden
PDF
Preis
--

Ähnliche Produkte

Kontakt

Kontaktieren Sie uns

Schicken Sie uns das folgende Formular und wir werden Sie kontaktieren, um Ihre Frage zu beantworten.

Kontaktinformationen:
E-Mail: info@alex.es
Telefon: (+34) 974 035 345
Öffnungszeiten:
Montag bis Freitag: 8-14h / 15-18h
Samstag und Sonntag: Geschlossen
Responsable: Ruedas Alex, S.L.U, siendo la Finalidad: gestionar el contacto entre cualquier interesado y nuestros servicios de atención. La Legitimación: es gracias a tu consentimiento. Destinatarios: no se comunicarán los datos personales a ningún tercero. Podrás efercer Tus Derechos de Acceso, Rectificación, Supresión, Limitación, Oposición y Portabilidad en rgpd@alex.es. Para más información consulte la Política de Privacidad.

Informieren Sie sich über alle Neuheiten, Angebote und Promotionen die wir für Sie vorbereitet haben.