Hersteller seit 1958
Ruedas Alex

SERIE HLR-NF 2-3595

Siehe Vergleich
Code: 2-3595

Rollen aus geschmolzenem extra starkem Nylon, sehr resistent gegen jede Art von chemischen Produkten und Verschleiss durch Abrieb. Besonders geeignet für schwere Ladungen bis 7.000 kg.

Anwendung: Bootsanhänger, Werkzeuge des logistischen Transports, Kräne die schweres Material tragen wie z. Bsp. Hebebühnen. Besonders geeignet für die Eisenbahnbranche und in Häfen aufgrund der hohen Korrosionsresistenz durch externe Stoffe. Sie werden auch in Windparks eingesetzt.

Diese Rollen haben eine sehr grosse Ladekapazität. Sie sind sehr stoss- und aufprallwiderstandsfähig. Extra schwer. Geringer Antriebswiderstand.

Bestandteile

Gehäuse

Stahlschweißkonstruktion bis 12 mm. Ausführung schwarz lackiert. Hergestellt gemäß EN 12532.

Rad

Rad aus hochwertigem Polyamid 6, weiß. Verlängerte Erholungszeiten werden vorgeschlagen, um eine thermische Überlastung zu vermeiden.
Temperaturbereich: -30º ÷ +80º
Rollwiderstand Hervorragender
Lärm während des Marsches Angemessen
Bodenschonend Angemessen

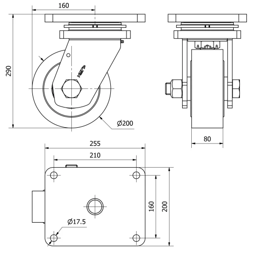
Technische Daten 2-3595

EAN:
8422202235950
Ausführung:
Lenkrollen
Befestigungsarten:
Platte
Bremsentyp:
Ohne Bremse
Laufbelag:
Polyamid 6
Niedrige Temperaturen (ºC):
-30
Maximaltemperaturen (ºC):
80
Lagerarten:
Kugellager
Durchmesser (mm):
200
Radbreite (mm):
80
Plattenabmessungen (mm):
255x200
Schraublochentfernung (mm):
210x160
Schraublochdurchmesser (mm):
16
Störkreisradius (mm):
160
Gesamthöhe (mm):
290
Tragfähigkeit:
4500
Einheit Gewicht des Rades (kg):
24
Volumen (cm3):
16675
Technische Daten 2-3595

Privater Bereich

Regístrate
Download in Format 3D
Download in Format 2D
DWG
PDF downloaden
PDF
Preis
--

Ähnliche Produkte

Kontakt

Kontaktieren Sie uns

Schicken Sie uns das folgende Formular und wir werden Sie kontaktieren, um Ihre Frage zu beantworten.

Kontaktinformationen:
E-Mail: info@alex.es
Telefon: (+34) 974 035 345
Öffnungszeiten:
Montag bis Freitag: 8-14h / 15-18h
Samstag und Sonntag: Geschlossen
Responsable: Ruedas Alex, S.L.U, siendo la Finalidad: gestionar el contacto entre cualquier interesado y nuestros servicios de atención. La Legitimación: es gracias a tu consentimiento. Destinatarios: no se comunicarán los datos personales a ningún tercero. Podrás efercer Tus Derechos de Acceso, Rectificación, Supresión, Limitación, Oposición y Portabilidad en rgpd@alex.es. Para más información consulte la Política de Privacidad.

Informieren Sie sich über alle Neuheiten, Angebote und Promotionen die wir für Sie vorbereitet haben.