Hersteller seit 1958
Ruedas Alex

SERIE HLS-DE 2-3194

Siehe Vergleich
Code: 2-3194

Rollen mit Aluminiumkern und Reifen aus schwarzem elastischem Gummi mit einer Härte von 70º shore A. Geeignet für Ladungen bis zu 500 kg. Mit elastischer Federung dank einer sehr widerstandsfähigen Federrückführung. Ideal für unebene Böden. Gute Stossdämpfung.

Anwendung: Karrosseriebauer, interne Logistik, Transportwerkzeuge, Aussenbereiche, mobile Sitzreihen, Hebebühnen, Transportkarren, Logistik von Missionsmaterial, Schwermaschinerie, mobile Kräne.

Eingesetzt in Ingenieurprojekten von technischen Zeichnern und Projektingenieuren.

DE: ideal für den manuellen Transport mittelschwerer Ladungen. Geräuschlos. Gutes Auffangen von Stössen und Schwingungen. Schützt die Böden. Ideal für unebene Böden.

Bestandteile

Gehäuse

Stahlschwei?konstruktion bis 12 mm, schwarz lackiert Gefedertes Gehäuse mit starker, sehr beständiger Feder Gutes Federverhalten bis 24,5 mm für 700 kg Tragfähigkeit   Hergestellt gemäß EN 12532/12533.

Rad

Aluminium-Radkörper und Elastik Vollgummireifen, 70º Shore A
Temperaturbereich: -20º ÷ +70º
Rollwiderstand Angemessen
Lärm während des Marsches Hervorragender
Bodenschonend Hervorragender

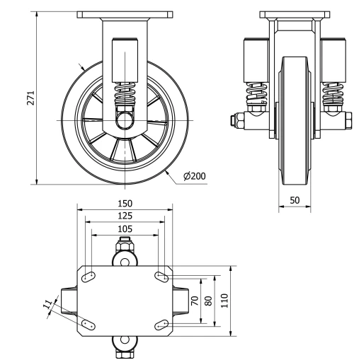
Technische Daten 2-3194

EAN:
8422202231945
Ausführung:
Bockrollen
Befestigungsarten:
Platte
Bremsentyp:
Ohne Bremse
Laufbelag:
Gummi
Härte der lauffläche:
70º SHORE A
Lagerarten:
Kugellager
Durchmesser (mm):
200
Radbreite (mm):
50
Plattenabmessungen (mm):
150x110
Schraublochentfernung (mm):
105x80
Schraublochdurchmesser (mm):
10
Gesamthöhe (mm):
271
Tragfähigkeit:
450
Einheit Gewicht des Rades (kg):
6,5
Volumen (cm3):
5962
Technische Daten 2-3194

Privater Bereich

Regístrate
Download in Format 3D
Download in Format 2D
DWG
PDF downloaden
PDF
Preis
--

Ähnliche Produkte

Kontakt

Kontaktieren Sie uns

Schicken Sie uns das folgende Formular und wir werden Sie kontaktieren, um Ihre Frage zu beantworten.

Kontaktinformationen:
E-Mail: info@alex.es
Telefon: (+34) 974 035 345
Öffnungszeiten:
Montag bis Freitag: 8-14h / 15-18h
Samstag und Sonntag: Geschlossen
Responsable: Ruedas Alex, S.L.U, siendo la Finalidad: gestionar el contacto entre cualquier interesado y nuestros servicios de atención. La Legitimación: es gracias a tu consentimiento. Destinatarios: no se comunicarán los datos personales a ningún tercero. Podrás efercer Tus Derechos de Acceso, Rectificación, Supresión, Limitación, Oposición y Portabilidad en rgpd@alex.es. Para más información consulte la Política de Privacidad.

Informieren Sie sich über alle Neuheiten, Angebote und Promotionen die wir für Sie vorbereitet haben.