Hersteller seit 1958
Ruedas Alex

SERIE HLS-FT 2-3201

Siehe Vergleich
Code: 2-3201

Rollen aus extra starkem Nylon, besonders geeignet für schwere Ladungen bis zu 1.250 kg. Mit elastischer Federung dank einer sehr widerstandsfähigen Federrückführung. Ideal für unebene Böden. Sehr gute Stossdämpfung.

Anwendung: Werkzeuge des logistischen Transports, interne Logistik, mobile Sitzreihen, Hebebühnen, Transportkarren, Logistik von Missionsmaterial, Schwermaschinerie der Bauindustrie, mobile Kräne. Besonders geeignet für die Luftfahrt-, Eisenbahn- und Automobilbranche.

FT: besonders geeignet für die Lebensmittel- und Chemieindustrie. Hinterlässt keine Spuren auf den Böden. Extra stark. 

Bestandteile

Gehäuse

Stahlschwei?konstruktion bis 12 mm, schwarz lackiert Gefedertes Gehäuse mit starker, sehr beständiger FederGutes Federverhalten bis 24,5 mm für 700 kg TragfähigkeitHergestellt gemäß EN 12532/12533.

Rad

Aus hochwertigem Polyamid 6, weiß
Temperaturbereich: -30º ÷ +80º
Rollwiderstand Hervorragender
Lärm während des Marsches Angemessen
Bodenschonend Angemessen

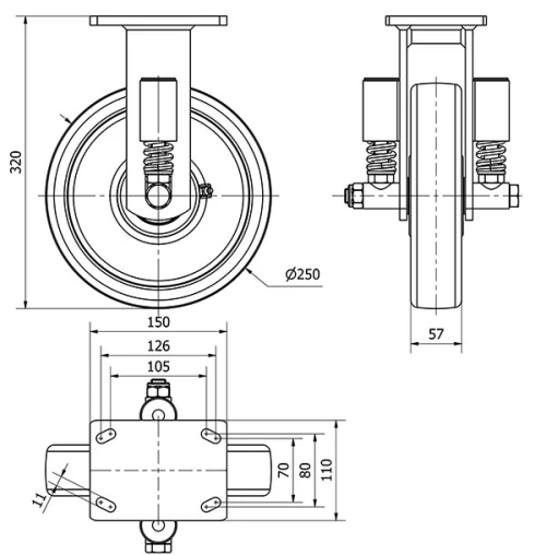
Technische Daten 2-3201

EAN:
8422202232010
Ausführung:
Bockrollen
Befestigungsarten:
Platte
Bremsentyp:
Ohne Bremse
Laufbelag:
Polyamid 6
Lagerarten:
Kugellager
Durchmesser (mm):
250
Radbreite (mm):
57
Plattenabmessungen (mm):
150x110
Schraublochentfernung (mm):
105x80
Schraublochdurchmesser (mm):
10
Gesamthöhe (mm):
320
Tragfähigkeit:
1300
Einheit Gewicht des Rades (kg):
6,091
Volumen (cm3):
8800
Technische Daten 2-3201

Privater Bereich

Regístrate
Download in Format 3D
Download in Format 2D
DWG
PDF downloaden
PDF
Preis
--

Ähnliche Produkte

Kontakt

Kontaktieren Sie uns

Schicken Sie uns das folgende Formular und wir werden Sie kontaktieren, um Ihre Frage zu beantworten.

Kontaktinformationen:
E-Mail: info@alex.es
Telefon: (+34) 974 035 345
Öffnungszeiten:
Montag bis Freitag: 8-14h / 15-18h
Samstag und Sonntag: Geschlossen
Responsable: Ruedas Alex, S.L.U, siendo la Finalidad: gestionar el contacto entre cualquier interesado y nuestros servicios de atención. La Legitimación: es gracias a tu consentimiento. Destinatarios: no se comunicarán los datos personales a ningún tercero. Podrás efercer Tus Derechos de Acceso, Rectificación, Supresión, Limitación, Oposición y Portabilidad en rgpd@alex.es. Para más información consulte la Política de Privacidad.

Informieren Sie sich über alle Neuheiten, Angebote und Promotionen die wir für Sie vorbereitet haben.