Hersteller seit 1958
Ruedas Alex

SERIE HLS-HG 2-3195

Siehe Vergleich
Code: 2-3195

Rollen mit Stahlkern und Reifen aus natürlichem schwarzem Gummi. Geeignet für Ladungen bis zu 700 kg. Mit elastischer Federung dank einer sehr widerstandsfähigen Federrückführung. Ideal für unebene Böden. Gute Stossdämpfung.

Anwendung: Werkzeuge des logistischen Transports, Aussenbereiche, mobile Kräne, Logistik von Missionsmaterial.

Besonders geeignet für die Luftfahrt- und Eisenbahnbranche. Eingesetzt in Ingenieurprojekten von technischen Zeichnern und Projektingenieuren.

HR: geeignet für mechanischen Antrieb. Schützt die Böden. Weicher und geräuschloser Lauf. (Gabelstapler, Anhänger, usw.) Industrie im Allgemeinen.

Bestandteile

Gehäuse

Stahlschwei?konstruktion bis 12 mm, schwarz lackiert Gefedertes Gehäuse mit starker, sehr beständiger FederGutes Federverhalten bis 24,5 mm für 700 kg TragfähigkeitHergestellt gemäß EN 12532/12533.

Rad

Stahl-Radkörper und Gummi-Laufbelag, mit Langzeitfett geschmiert
Temperaturbereich: -20º ÷ +60º
Rollwiderstand Angemessen
Lärm während des Marsches Hervorragender
Bodenschonend Hervorragender

Technische Daten 2-3195

EAN:
8422202231952
Ausführung:
Bockrollen
Befestigungsarten:
Platte
Bremsentyp:
Ohne Bremse
Laufbelag:
Gummi
Lagerarten:
Kugellager
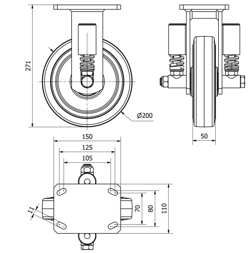
Durchmesser (mm):
200
Radbreite (mm):
50
Plattenabmessungen (mm):
150x110
Schraublochentfernung (mm):
105x80
Schraublochdurchmesser (mm):
10
Gesamthöhe (mm):
271
Tragfähigkeit:
600
Einheit Gewicht des Rades (kg):
10,702
Volumen (cm3):
5962
Technische Daten 2-3195

Privater Bereich

Regístrate
Download in Format 3D
Download in Format 2D
DWG
PDF downloaden
PDF
Preis
--

Ähnliche Produkte

Kontakt

Kontaktieren Sie uns

Schicken Sie uns das folgende Formular und wir werden Sie kontaktieren, um Ihre Frage zu beantworten.

Kontaktinformationen:
E-Mail: info@alex.es
Telefon: (+34) 974 035 345
Öffnungszeiten:
Montag bis Freitag: 8-14h / 15-18h
Samstag und Sonntag: Geschlossen
Responsable: Ruedas Alex, S.L.U, siendo la Finalidad: gestionar el contacto entre cualquier interesado y nuestros servicios de atención. La Legitimación: es gracias a tu consentimiento. Destinatarios: no se comunicarán los datos personales a ningún tercero. Podrás efercer Tus Derechos de Acceso, Rectificación, Supresión, Limitación, Oposición y Portabilidad en rgpd@alex.es. Para más información consulte la Política de Privacidad.

Informieren Sie sich über alle Neuheiten, Angebote und Promotionen die wir für Sie vorbereitet haben.