Hersteller seit 1958
Ruedas Alex

SERIE HLS-HUAB 2-3545

Siehe Vergleich
Code: 2-3545

Rollen mit Stahlkern und Reifen aus geschmolzenem Polyurethan mit einer Härte von 95º shore A und kugeligem Reifenprofil. Geeignet für Ladungen bis zu 800 kg. Mit elastischer Federung dank einer sehr widerstandsfähigen Federrückführung, ideal für unebene Böden. Gute Stossdämpfung.

Anwendung: Werkzeuge des logistischen Transports, Aussenbereiche, interne Logistik, mobile Sitzreihen, Hebebühnen, Transportkarren, Logistik von Missionsmaterial, Schwermaschinerie der Bauindustrie, mobile Kräne. Besonders geeignet für die Luftfahrt-, Eisenbahn- und Automobilbranche.

HUAB: maximale Manövrierfähigkeit. Sehr gute Stossdämpfung. Geeignet für unebene, gebrochene Böden, mit Metallspäne, Ölflecken, Glassplitter, Öle, Kies.

Bestandteile

Gehäuse

Stahlschwei?konstruktion bis 12 mm, schwarz lackiert Gefedertes Gehäuse mit starker, sehr beständiger Feder Gutes Federverhalten bis 24,5 mm für 700 kg Tragfähigkeit   Hergestellt gemäß EN 12532/12533.

Rad

Gegossenes Polyurethan und Stahlradkörper
Temperaturbereich: -20º ÷ +60º
Rollwiderstand Hervorragender
Lärm während des Marsches Gut
Bodenschonend Gut

Technische Daten 2-3545

EAN:
8422202235455
Ausführung:
Bockrollen
Befestigungsarten:
Platte
Bremsentyp:
Ohne Bremse
Laufbelag:
Polyurethan
Härte der lauffläche:
95º SHORE A
Lagerarten:
Kugellager
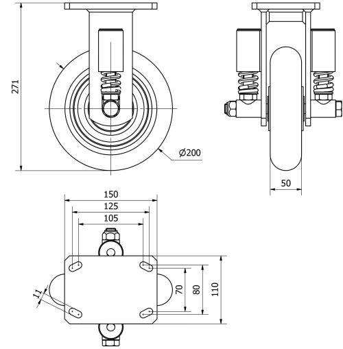
Durchmesser (mm):
200
Radbreite (mm):
50
Plattenabmessungen (mm):
150x110
Schraublochentfernung (mm):
105x80
Schraublochdurchmesser (mm):
10
Gesamthöhe (mm):
271
Tragfähigkeit:
800
Einheit Gewicht des Rades (kg):
10,427
Volumen (cm3):
5962
Technische Daten 2-3545

Privater Bereich

Regístrate
Download in Format 3D
Download in Format 2D
DWG
PDF downloaden
PDF
Preis
--

Ähnliche Produkte

Kontakt

Kontaktieren Sie uns

Schicken Sie uns das folgende Formular und wir werden Sie kontaktieren, um Ihre Frage zu beantworten.

Kontaktinformationen:
E-Mail: info@alex.es
Telefon: (+34) 974 035 345
Öffnungszeiten:
Montag bis Freitag: 8-14h / 15-18h
Samstag und Sonntag: Geschlossen
Responsable: Ruedas Alex, S.L.U, siendo la Finalidad: gestionar el contacto entre cualquier interesado y nuestros servicios de atención. La Legitimación: es gracias a tu consentimiento. Destinatarios: no se comunicarán los datos personales a ningún tercero. Podrás efercer Tus Derechos de Acceso, Rectificación, Supresión, Limitación, Oposición y Portabilidad en rgpd@alex.es. Para más información consulte la Política de Privacidad.

Informieren Sie sich über alle Neuheiten, Angebote und Promotionen die wir für Sie vorbereitet haben.