Hersteller seit 1958
Ruedas Alex

SERIE KV-HG 2-1967

Siehe Vergleich
Code: 2-1967

Rollen mit Stahlkern und Reifen aus natürlichem schwarzen Gummi. Besonders geeignet für Ladungen bis zu 750 kg.

Eingesetzt bei Werkzeugen des logistischen Transports, interne Logistik, mobile Sitzreihen, Hebebühnen, Transportkarren, Logistik von Missionsmaterial, Schwermaschinerie der Bauindustrie, mobile Kräne. Besonders geeignet für die Luftfahrt-, Eisenbahn- und Automobilbranche.

HG: geeignet für mechanischen und manuellen Antrieb (Gabelstapler, Anhänger, usw.). Industrie im Allgemeinen.

Bestandteile

Gehäuse

Stahlschweißkonstruktion bis 10 mm mit sehr stabilem Mittelbolzen.Lenkrollen-Gehäuse mit Kugellagerung und Kegelrollenlager im Drehkranz, der obere mit in gehärteten Präzisionsführungen laufenden Stahlkugeln. Die eine lange Haltbarkeit gewährleistenUnd der untere mit Kegelrollenlager ermöglicht Dreh-, Radial- und Axialkräfte.Schmiervorrichtung am Drehkranz und Rad.Hergestellt gemäß EN 12532/12533

Rad

Stahl-Radkörper und Gummi-Laufbelag, mit Langzeitfett geschmiert
Temperaturbereich: -20º ÷ +60º
Rollwiderstand Angemessen
Lärm während des Marsches Hervorragender
Bodenschonend Hervorragender

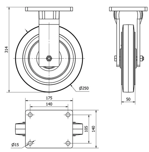
Technische Daten 2-1967

EAN:
8422202219677
Ausführung:
Bockrollen
Befestigungsarten:
Platte
Bremsentyp:
Ohne Bremse
Laufbelag:
Gummi
Lagerarten:
Kugellager
Durchmesser (mm):
250
Radbreite (mm):
50
Plattenabmessungen (mm):
175x140
Schraublochentfernung (mm):
140x105
Schraublochdurchmesser (mm):
14
Gesamthöhe (mm):
314
Tragfähigkeit:
700
Einheit Gewicht des Rades (kg):
9,852
Volumen (cm3):
10990
Technische Daten 2-1967

Privater Bereich

Regístrate
Download in Format 3D
Download in Format 2D
DWG
PDF downloaden
PDF
Preis
--

Ähnliche Produkte

Kontakt

Kontaktieren Sie uns

Schicken Sie uns das folgende Formular und wir werden Sie kontaktieren, um Ihre Frage zu beantworten.

Kontaktinformationen:
E-Mail: info@alex.es
Telefon: (+34) 974 035 345
Öffnungszeiten:
Montag bis Freitag: 8-14h / 15-18h
Samstag und Sonntag: Geschlossen
Responsable: Ruedas Alex, S.L.U, siendo la Finalidad: gestionar el contacto entre cualquier interesado y nuestros servicios de atención. La Legitimación: es gracias a tu consentimiento. Destinatarios: no se comunicarán los datos personales a ningún tercero. Podrás efercer Tus Derechos de Acceso, Rectificación, Supresión, Limitación, Oposición y Portabilidad en rgpd@alex.es. Para más información consulte la Política de Privacidad.

Informieren Sie sich über alle Neuheiten, Angebote und Promotionen die wir für Sie vorbereitet haben.