Hersteller seit 1958
Ruedas Alex

SERIE KV-PO 4-1118

Siehe Vergleich
Code: 4-1118

Rollen mit weissem Nylonkern und Reifen aus rotem Polyurethan mit einer Härte von 90-95º shore A. Geeignet für Ladegewichte bis zu 600 kg.

Angewendet bei Utensilien des logistischen Transports, Aussenbereichen, interne Logistik, Karrosseriebauern, mobilen Sitzreihen, Hebebühnen, Logistik von Missionsmaterial, Schwermaschinerie, mobile Kräne, Gabelstapler, Heizöfen.

Besonders geeignet für die Luftfahrt-, Eisenbahn- und Automobilbranche.

PO: elastischer und geräuschloser Lauf. Guter Schutz für die Böden. Sehr verschleissresistent.

Bestandteile

Gehäuse

Stahlschweißkonstruktion bis 10 mm mit sehr stabilem Mittelbolzen. Lenkrollen-Gehäuse mit Kugellagerung und Kegelrollenlager im Drehkranz, der obere mit in gehärteten Präzisionsführungen laufenden Stahlkugeln. Die eine lange Haltbarkeit gewährleisten Und der untere mit Kegelrollenlager ermöglicht Dreh-, Radial- und Axialkräfte. Schmiervorrichtung am Drehkranz und Rad. Hergestellt gemäß EN 12532/12533

Rad

Weißer Polyamid-Radkörper und Laufbelag aus rotem Polyurethan.95º Shore A
Temperaturbereich: -25º ÷ +80º
Rollwiderstand Sehr Gut
Lärm während des Marsches Sehr Gut
Bodenschonend Sehr Gut

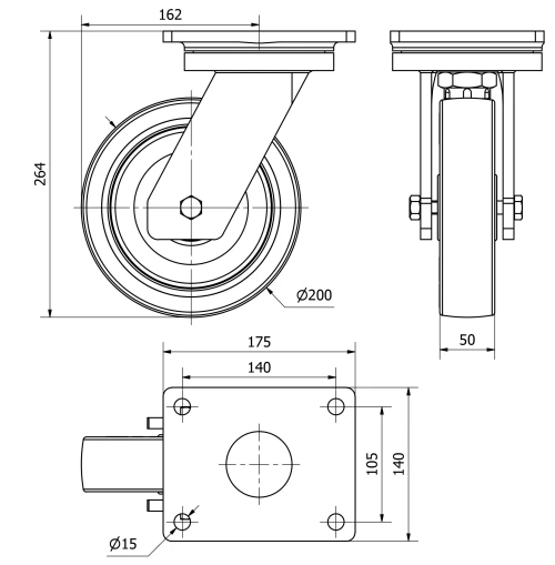
Technische Daten 4-1118

EAN:
8422202411187
Ausführung:
Lenkrollen
Befestigungsarten:
Platte
Bremsentyp:
Ohne Bremse
Laufbelag:
Polyurethan
Härte der lauffläche:
90-95º SHORE A
Lagerarten:
Kugellager
Durchmesser (mm):
200
Radbreite (mm):
50
Plattenabmessungen (mm):
175x140
Schraublochentfernung (mm):
140x105
Schraublochdurchmesser (mm):
14
Störkreisradius (mm):
162
Gesamthöhe (mm):
264
Tragfähigkeit:
600
Einheit Gewicht des Rades (kg):
8,28
Volumen (cm3):
9222
Technische Daten 4-1118

Privater Bereich

Regístrate
Download in Format 3D
Download in Format 2D
DWG
PDF downloaden
PDF
Preis
--

Ähnliche Produkte

Kontakt

Kontaktieren Sie uns

Schicken Sie uns das folgende Formular und wir werden Sie kontaktieren, um Ihre Frage zu beantworten.

Kontaktinformationen:
E-Mail: info@alex.es
Telefon: (+34) 974 035 345
Öffnungszeiten:
Montag bis Freitag: 8-14h / 15-18h
Samstag und Sonntag: Geschlossen
Responsable: Ruedas Alex, S.L.U, siendo la Finalidad: gestionar el contacto entre cualquier interesado y nuestros servicios de atención. La Legitimación: es gracias a tu consentimiento. Destinatarios: no se comunicarán los datos personales a ningún tercero. Podrás efercer Tus Derechos de Acceso, Rectificación, Supresión, Limitación, Oposición y Portabilidad en rgpd@alex.es. Para más información consulte la Política de Privacidad.

Informieren Sie sich über alle Neuheiten, Angebote und Promotionen die wir für Sie vorbereitet haben.