Hersteller seit 1958
Ruedas Alex

SERIE KV-TA 4-0427

Siehe Vergleich
Code: 4-0427

Rollen aus Stahl, geeignet für schwere Ladungen bis zu 1.350 kg.

Angewendet für logistischen Transport, bei Öfen die hohen Temperaturen ausgesetzt sind (-40º bis + 300º), Schwermaschinerie der Bauindustrie.

Besonders geeignet für die Eisenbahn- und Automobilbranche.

TA: angewendet bei sehr schweren Bedingungen welche andere Arten von Rädern zerstören würden, wie z. Bsp. schneidende Gegenstände, chemische Produkte oder extreme Temperaturen. Grosse Ladekapazität.

Bestandteile

Gehäuse

Stahlschweißkonstruktion bis 10 mm mit sehr stabilem Mittelbolzen.Lenkrollen-Gehäuse mit Kugellagerung und Kegelrollenlager im Drehkranz, der obere mit in gehärteten Präzisionsführungen laufenden Stahlkugeln. Die eine lange Haltbarkeit gewährleistenUnd der untere mit Kegelrollenlager ermöglicht Dreh-, Radial- und Axialkräfte.Schmiervorrichtung am Drehkranz und Rad.Hergestellt gemäß EN 12532/12533

Rad

Vollstahlrad
Temperaturbereich: -40º ÷ +300º
Rollwiderstand Hervorragender
Lärm während des Marsches Ausreichend
Bodenschonend Ausreichend

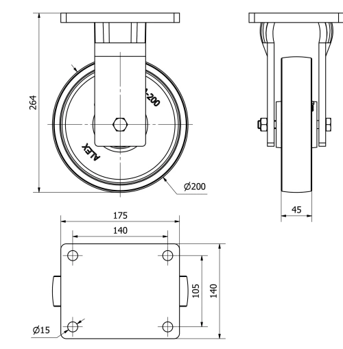
Technische Daten 4-0427

EAN:
8422202404271
Ausführung:
Bockrollen
Befestigungsarten:
Platte
Bremsentyp:
Ohne Bremse
Laufbelag:
Stahlrad
Lagerarten:
Kugellager
Durchmesser (mm):
200
Radbreite (mm):
45
Plattenabmessungen (mm):
175x140
Schraublochentfernung (mm):
140x105
Schraublochdurchmesser (mm):
14
Gesamthöhe (mm):
264
Tragfähigkeit:
1250
Einheit Gewicht des Rades (kg):
9,66
Volumen (cm3):
7392
Technische Daten 4-0427

Privater Bereich

Regístrate
Download in Format 3D
Download in Format 2D
DWG
PDF downloaden
PDF
Preis
--

Ähnliche Produkte

Kontakt

Kontaktieren Sie uns

Schicken Sie uns das folgende Formular und wir werden Sie kontaktieren, um Ihre Frage zu beantworten.

Kontaktinformationen:
E-Mail: info@alex.es
Telefon: (+34) 974 035 345
Öffnungszeiten:
Montag bis Freitag: 8-14h / 15-18h
Samstag und Sonntag: Geschlossen
Responsable: Ruedas Alex, S.L.U, siendo la Finalidad: gestionar el contacto entre cualquier interesado y nuestros servicios de atención. La Legitimación: es gracias a tu consentimiento. Destinatarios: no se comunicarán los datos personales a ningún tercero. Podrás efercer Tus Derechos de Acceso, Rectificación, Supresión, Limitación, Oposición y Portabilidad en rgpd@alex.es. Para más información consulte la Política de Privacidad.

Informieren Sie sich über alle Neuheiten, Angebote und Promotionen die wir für Sie vorbereitet haben.