Hersteller seit 1958
Ruedas Alex

SERIE WL-RIFN 4-1647

Siehe Vergleich
Code: 4-1647

Schwarzfarbene, pneumatische Räder mit glattem Radlager (RIFN) oder Rollenradlager (RIFR), geeignet für Ladungen bis zu 100 kg.

Anwendung: Zustellerkarren, Flaschenkarren, Fässer, Anhänger, Lagerkarren, Bühnen, Transportkarren.

RIFN-RIFR: einstichsicher, geräuschlos, gute Stossdämpfung.

Bestandteile

Gehäuse

Tiefgezogenes Stahlblech-Gehäuse Eine sehr gute Stoß- und Schlagdämpfung. Geringer Rollwiderstand bei schlechten Bodenverhältnissen. Sehr bodenschonend durch das Luftpolster.

Rad

Polypropylen-Felge mit pannensicherem, ausgeschäumtem Reifen

Rollwiderstand Gut
Lärm während des Marsches Sehr Gut
Bodenschonend Hervorragender

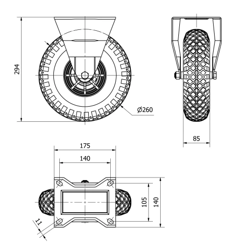
Technische Daten 4-1647

EAN:
8422202416472
Ausführung:
Bockrollen
Befestigungsarten:
Platte
Bremsentyp:
Ohne Bremse
Laufbelag:
Rad Mit Luftbereifung
Lagerarten:
Rollenlager
Durchmesser (mm):
260
Radbreite (mm):
85
Plattenabmessungen (mm):
175x140
Schraublochentfernung (mm):
140x105
Schraublochdurchmesser (mm):
10
Gesamthöhe (mm):
294
Tragfähigkeit:
100
Einheit Gewicht des Rades (kg):
2,8
Volumen (cm3):
7203
Technische Daten 4-1647

Privater Bereich

Regístrate
Download in Format 3D
Download in Format 2D
DWG
PDF downloaden
PDF
Preis
--

Ähnliche Produkte

Kontakt

Kontaktieren Sie uns

Schicken Sie uns das folgende Formular und wir werden Sie kontaktieren, um Ihre Frage zu beantworten.

Kontaktinformationen:
E-Mail: info@alex.es
Telefon: (+34) 974 035 345
Öffnungszeiten:
Montag bis Freitag: 8-14h / 15-18h
Samstag und Sonntag: Geschlossen
Responsable: Ruedas Alex, S.L.U, siendo la Finalidad: gestionar el contacto entre cualquier interesado y nuestros servicios de atención. La Legitimación: es gracias a tu consentimiento. Destinatarios: no se comunicarán los datos personales a ningún tercero. Podrás efercer Tus Derechos de Acceso, Rectificación, Supresión, Limitación, Oposición y Portabilidad en rgpd@alex.es. Para más información consulte la Política de Privacidad.

Informieren Sie sich über alle Neuheiten, Angebote und Promotionen die wir für Sie vorbereitet haben.