Hersteller seit 1958
Ruedas Alex

SERIE WL-RIT 4-0028

Siehe Vergleich
Code: 4-0028

Schwarzfarbene Räder, mit Felgen aus Polypropylen und pneumatischem Reifen aus 4 und 6 Lagen, geeignet für Ladungen bis zu 220 kg.

Anwendung: Zustellungskarren, Flaschenkarren, Fässer, Anhänger, Lagerkarren, Bühnen, Transportkarren.

RIT: Reifen, geräuschlos, gute Stossdämpfung.

Bestandteile

Gehäuse

Tiefgezogenes Stahlblech-GehäuseEine sehr gute Stoß- und Schlagdämpfung.Geringer Rollwiderstand bei schlechten Bodenverhältnissen.Sehr bodenschonend durch das Luftpolster.

Rad

Stahlblech-felge und Luftbereifung mit 4/6 Ply-Rating

Rollwiderstand Gut
Lärm während des Marsches Sehr Gut
Bodenschonend Hervorragender

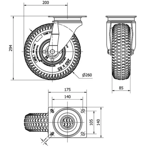
Technische Daten 4-0028

EAN:
8422202400280
Ausführung:
Lenkrollen
Befestigungsarten:
Platte
Bremsentyp:
Ohne Bremse
Laufbelag:
Rad Mit Luftbereifung
Lagerarten:
Kugellager
Farbe:
Schwarze
Durchmesser (mm):
260
Radbreite (mm):
85
Plattenabmessungen (mm):
175x140
Schraublochentfernung (mm):
140x105
Schraublochdurchmesser (mm):
10
Störkreisradius (mm):
200
Gesamthöhe (mm):
294
Tragfähigkeit:
250
Einheit Gewicht des Rades (kg):
3960
Volumen (cm3):
11834
:
TACO GRUESO
Ply-Rating:
6 Ply-Rating
Technische Daten 4-0028

Privater Bereich

Regístrate
Download in Format 3D
Download in Format 2D
DWG
PDF downloaden
PDF
Preis
--

Ähnliche Produkte

Kontakt

Kontaktieren Sie uns

Schicken Sie uns das folgende Formular und wir werden Sie kontaktieren, um Ihre Frage zu beantworten.

Kontaktinformationen:
E-Mail: info@alex.es
Telefon: (+34) 974 035 345
Öffnungszeiten:
Montag bis Freitag: 8-14h / 15-18h
Samstag und Sonntag: Geschlossen
Responsable: Ruedas Alex, S.L.U, siendo la Finalidad: gestionar el contacto entre cualquier interesado y nuestros servicios de atención. La Legitimación: es gracias a tu consentimiento. Destinatarios: no se comunicarán los datos personales a ningún tercero. Podrás efercer Tus Derechos de Acceso, Rectificación, Supresión, Limitación, Oposición y Portabilidad en rgpd@alex.es. Para más información consulte la Política de Privacidad.

Informieren Sie sich über alle Neuheiten, Angebote und Promotionen die wir für Sie vorbereitet haben.