Hersteller seit 1958
Ruedas Alex

SERIE SL-FT 4-1201

Siehe Vergleich
Code: 4-1201

Räder aus extra starkem Nylon, geeignet für Ladungen bis zu 600 kg.

Anwendung: Werkzeuge des logistischen Transports, Aussenbereiche, weisse Säale, interne Logistik, mobile Sitzreihen, Hebebühnen, Transportkarren, Logistik von Missonsmaterial, Schwermaschinerie der Bauindustrie, mobile Kräne, Sporthallen, Karrosseriebauer, Petrochemie, besonders geeignet für die Luftfahrt-, Eisenbahn- und Automobilbranche.

FT: besonders geeignet für die Lebensmittel- und Industriebranche. Hinterlässt keine Spuren auf den Böden. Extra stark. Konservierungsfabriken.

Bestandteile

Gehäuse

Sehr robuste Stahlschweißkonstruktion bis 6 mm.Äußerst widerstandsfähige bichromatisierte Ausführung.Drehkranz mit Lager mit doppelter Stahlkugelreihe in gehärtetenLagerführungen.Hergestellt gemäß Europanorm EN 12532.

Rad

Aus hochwertigem Polyamid 6, weiß
Temperaturbereich: -30º ÷ +80º
Rollwiderstand Hervorragender
Lärm während des Marsches Angemessen
Bodenschonend Angemessen

Technische Daten 4-1201

EAN:
8422202412016
Ausführung:
Lenkrollen
Befestigungsarten:
Platte
Bremsentyp:
Radbremse
Laufbelag:
Polyamid 6
Lagerarten:
Kugellager
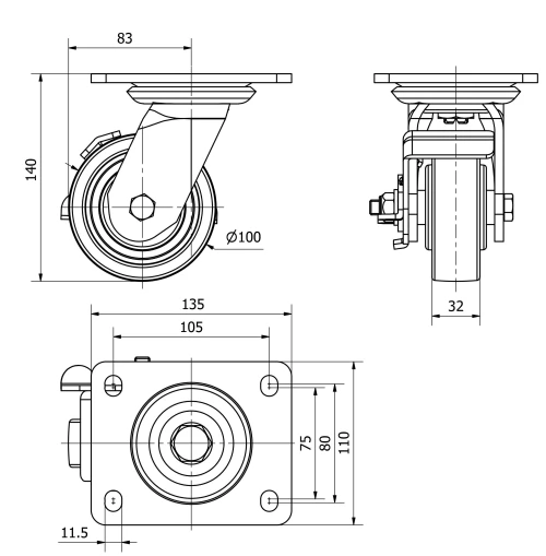
Durchmesser (mm):
100
Radbreite (mm):
32
Plattenabmessungen (mm):
135x110
Schraublochentfernung (mm):
105x80
Schraublochdurchmesser (mm):
10
Störkreisradius (mm):
83
Gesamthöhe (mm):
140
Tragfähigkeit:
400
Einheit Gewicht des Rades (kg):
2,06
Volumen (cm3):
2318
Technische Daten 4-1201

Privater Bereich

Regístrate
Download in Format 3D
Download in Format 2D
DWG
PDF downloaden
PDF
Preis
--

Ähnliche Produkte

Kontakt

Kontaktieren Sie uns

Schicken Sie uns das folgende Formular und wir werden Sie kontaktieren, um Ihre Frage zu beantworten.

Kontaktinformationen:
E-Mail: info@alex.es
Telefon: (+34) 974 035 345
Öffnungszeiten:
Montag bis Freitag: 8-14h / 15-18h
Samstag und Sonntag: Geschlossen
Responsable: Ruedas Alex, S.L.U, siendo la Finalidad: gestionar el contacto entre cualquier interesado y nuestros servicios de atención. La Legitimación: es gracias a tu consentimiento. Destinatarios: no se comunicarán los datos personales a ningún tercero. Podrás efercer Tus Derechos de Acceso, Rectificación, Supresión, Limitación, Oposición y Portabilidad en rgpd@alex.es. Para más información consulte la Política de Privacidad.

Informieren Sie sich über alle Neuheiten, Angebote und Promotionen die wir für Sie vorbereitet haben.