Hersteller seit 1958
Ruedas Alex

SERIE SL-HG 4-1616

Siehe Vergleich
Code: 4-1616

Räder mit Stahlkern und Reifen aus natürlichem schwarzem Gummi. Geeignet für Ladungen bis zu 600 kg.

Anwendung: Werkzeuge des logistischen Transports, Werkstätten, Aussenbereiche, Karrosseriebauer, mobile Sitzreihen, interne Logistik, Hebebühnen, Transportkarren, Logistik von Missionsmaterial, Schwermaschinerie der Bauindustrie, mobile Kräne. Besonders geeignet für die Luftfahrt-, Eisenbahn- und Automobilbranche.

Sie werden von technischen Zeichnern und Projektingenieuren in mechanischen Ingenieurprojekten eingesetzt.

HG: geeignet für mechanischen und manuellen Antrieb (Gabelstapler, Anhänger, usw...). Für die Industriebranche im Allgemeinen. Schützt die Böden.

Bestandteile

Gehäuse

Sehr robuste Stahlschweißkonstruktion bis 6 mm.Äußerst widerstandsfähige bichromatisierte Ausführung.Drehkranz mit Lager mit doppelter Stahlkugelreihe in gehärtetenLagerführungen.Hergestellt gemäß Europanorm EN 12532.

Rad

Stahl-Radkörper und Gummi-Laufbelag, mit Langzeitfett geschmiert
Temperaturbereich: -20º ÷ +60º
Rollwiderstand Angemessen
Lärm während des Marsches Hervorragender
Bodenschonend Hervorragender

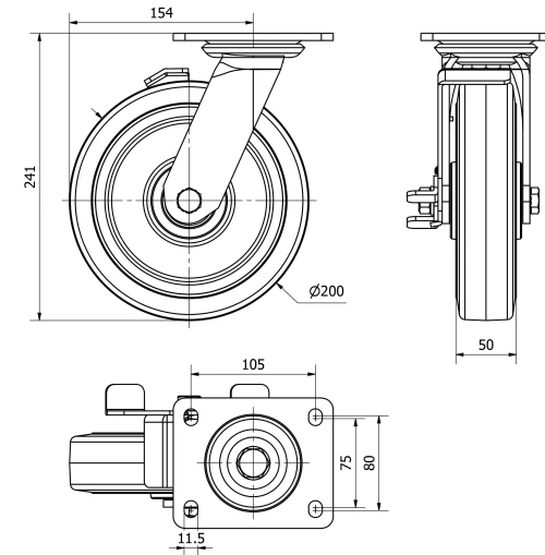
Technische Daten 4-1616

EAN:
8422202416168
Ausführung:
Lenkrollen
Befestigungsarten:
Platte
Bremsentyp:
Radbremse
Laufbelag:
Gummi
Lagerarten:
Kugellager
Durchmesser (mm):
200
Radbreite (mm):
50
Plattenabmessungen (mm):
135x110
Schraublochentfernung (mm):
105x80
Schraublochdurchmesser (mm):
10
Störkreisradius (mm):
154
Gesamthöhe (mm):
241
Tragfähigkeit:
600
Einheit Gewicht des Rades (kg):
6,34
Volumen (cm3):
5872
Technische Daten 4-1616

Privater Bereich

Regístrate
Download in Format 3D
Download in Format 2D
DWG
PDF downloaden
PDF
Preis
--

Ähnliche Produkte

Kontakt

Kontaktieren Sie uns

Schicken Sie uns das folgende Formular und wir werden Sie kontaktieren, um Ihre Frage zu beantworten.

Kontaktinformationen:
E-Mail: info@alex.es
Telefon: (+34) 974 035 345
Öffnungszeiten:
Montag bis Freitag: 8-14h / 15-18h
Samstag und Sonntag: Geschlossen
Responsable: Ruedas Alex, S.L.U, siendo la Finalidad: gestionar el contacto entre cualquier interesado y nuestros servicios de atención. La Legitimación: es gracias a tu consentimiento. Destinatarios: no se comunicarán los datos personales a ningún tercero. Podrás efercer Tus Derechos de Acceso, Rectificación, Supresión, Limitación, Oposición y Portabilidad en rgpd@alex.es. Para más información consulte la Política de Privacidad.

Informieren Sie sich über alle Neuheiten, Angebote und Promotionen die wir für Sie vorbereitet haben.