Hersteller seit 1958
Ruedas Alex

SERIE SL-PO 4-1210

Siehe Vergleich
Code: 4-1210

Räder mit weissem Nylonkern und Reifen aus rotem Polyurethan mit einer Härte von 90-95º shore A. Geeigent für Ladungen bis zu 600 kg.

Anwendung: Werkzeuge des logistischen Transports, Aussenbereiche, interne Logistik, Karrosseriebauer, mobile Sitzreihen, Hebebühnen, Logistik von Missionsmaterial, Schwermaschinerie, mobile Kräne, Gabelstapler, Heizkessel.

Besonders geeignet für die Luftfahrt-, Eisenbahn- und Automobilbranche.

Wird von technischen Zeichnern und Projektingenieuren in mechanischen Ingenieurprojekten eingesetzt.

PO: elastischer Lauf. Geräuschlos. Schützt die Böden. Sehr widerstandsfähig gegen Verschleiss.  Resistent gegen Öle, Fette und Metallspäne.

Bestandteile

Gehäuse

Sehr robuste Stahlschweißkonstruktion bis 6 mm. Äußerst widerstandsfähige bichromatisierte Ausführung. Drehkranz mit Lager mit doppelter Stahlkugelreihe in gehärteten Lagerführungen. Hergestellt gemäß Europanorm EN 12532.

Rad

Weißer Polyamid-Radkörper und Laufbelag aus rotem Polyurethan.95º Shore A
Temperaturbereich: -25º ÷ +80º
Rollwiderstand Sehr Gut
Lärm während des Marsches Sehr Gut
Bodenschonend Sehr Gut

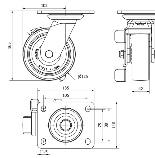
Technische Daten 4-1210

EAN:
8422202412108
Ausführung:
Lenkrollen
Befestigungsarten:
Platte
Bremsentyp:
Radbremse
Laufbelag:
Polyurethan
Härte der lauffläche:
90-95º SHORE A
Lagerarten:
Gleitlager
Durchmesser (mm):
125
Radbreite (mm):
42
Plattenabmessungen (mm):
135x110
Schraublochentfernung (mm):
105x80
Schraublochdurchmesser (mm):
10
Störkreisradius (mm):
102
Gesamthöhe (mm):
165
Tragfähigkeit:
300
Einheit Gewicht des Rades (kg):
2,321
Volumen (cm3):
3076
Technische Daten 4-1210

Privater Bereich

Regístrate
Download in Format 3D
Download in Format 2D
DWG
PDF downloaden
PDF
Preis
--

Ähnliche Produkte

Kontakt

Kontaktieren Sie uns

Schicken Sie uns das folgende Formular und wir werden Sie kontaktieren, um Ihre Frage zu beantworten.

Kontaktinformationen:
E-Mail: info@alex.es
Telefon: (+34) 974 035 345
Öffnungszeiten:
Montag bis Freitag: 8-14h / 15-18h
Samstag und Sonntag: Geschlossen
Responsable: Ruedas Alex, S.L.U, siendo la Finalidad: gestionar el contacto entre cualquier interesado y nuestros servicios de atención. La Legitimación: es gracias a tu consentimiento. Destinatarios: no se comunicarán los datos personales a ningún tercero. Podrás efercer Tus Derechos de Acceso, Rectificación, Supresión, Limitación, Oposición y Portabilidad en rgpd@alex.es. Para más información consulte la Política de Privacidad.

Informieren Sie sich über alle Neuheiten, Angebote und Promotionen die wir für Sie vorbereitet haben.