Hersteller seit 1958
Ruedas Alex

SERIE SL-TA 4-0805

Siehe Vergleich
Code: 4-0805

Räder aus Stahl, geeignet für Ladungen bis zu 600 kg.

Anwendung: in Öfen die hohen Temperaturen ausgesetzt sind (-40º bis +300º), Schwermaschinerie der Bauindustrie.

Besonders geeignet für die Luftfahrt-, Eisenbahn- und Automobilindustrie.

TA: geeignet für schwere Arbeitsbedingungen, welche andere Arten von Rädern zerstören würden, wie z. Bsp. schneidende Gegenstände, chemische Produkte oder extreme Temperaturen. Grosse Ladekapazität.

Bestandteile

Gehäuse

Sehr robuste Stahlschweißkonstruktion bis 6 mm.Äußerst widerstandsfähige bichromatisierte Ausführung.Drehkranz mit Lager mit doppelter Stahlkugelreihe in gehärtetenLagerführungen.Hergestellt gemäß Europanorm EN 12532.

Rad

Vollstahlrad
Temperaturbereich: -40º ÷ +300º
Rollwiderstand Hervorragender
Lärm während des Marsches Ausreichend
Bodenschonend Ausreichend

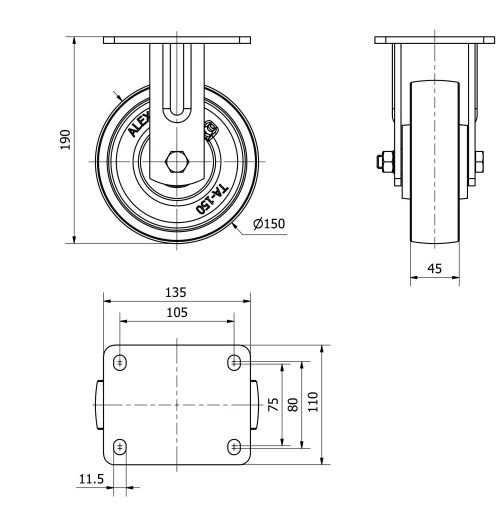
Technische Daten 4-0805

EAN:
8422202408057
Ausführung:
Bockrollen
Befestigungsarten:
Platte
Bremsentyp:
Ohne Bremse
Laufbelag:
Stahlrad
Lagerarten:
Kugellager
Durchmesser (mm):
150
Radbreite (mm):
45
Plattenabmessungen (mm):
135x110
Schraublochentfernung (mm):
105x80
Schraublochdurchmesser (mm):
10
Gesamthöhe (mm):
190
Tragfähigkeit:
600
Einheit Gewicht des Rades (kg):
4,925
Volumen (cm3):
2822
Technische Daten 4-0805

Privater Bereich

Regístrate
Download in Format 3D
Download in Format 2D
DWG
PDF downloaden
PDF
Preis
--

Ähnliche Produkte

Kontakt

Kontaktieren Sie uns

Schicken Sie uns das folgende Formular und wir werden Sie kontaktieren, um Ihre Frage zu beantworten.

Kontaktinformationen:
E-Mail: info@alex.es
Telefon: (+34) 974 035 345
Öffnungszeiten:
Montag bis Freitag: 8-14h / 15-18h
Samstag und Sonntag: Geschlossen
Responsable: Ruedas Alex, S.L.U, siendo la Finalidad: gestionar el contacto entre cualquier interesado y nuestros servicios de atención. La Legitimación: es gracias a tu consentimiento. Destinatarios: no se comunicarán los datos personales a ningún tercero. Podrás efercer Tus Derechos de Acceso, Rectificación, Supresión, Limitación, Oposición y Portabilidad en rgpd@alex.es. Para más información consulte la Política de Privacidad.

Informieren Sie sich über alle Neuheiten, Angebote und Promotionen die wir für Sie vorbereitet haben.